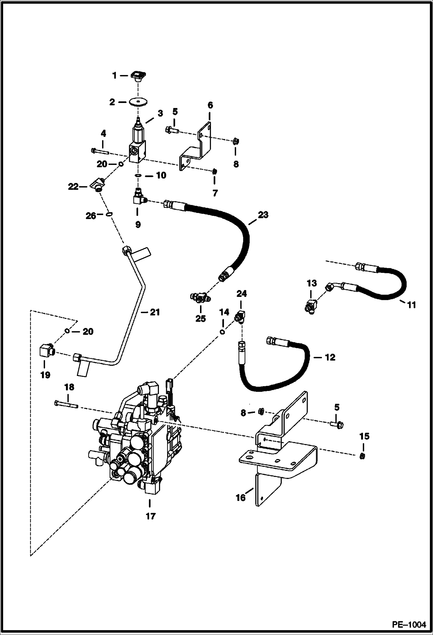
Запчасти Bobcat 900s MANUAL LIFT RELEASE SYSTEM HYDRAULIC SYSTEM

Схема запчастей Bobcat 900s - MANUAL LIFT RELEASE SYSTEM HYDRAULIC SYSTEM
FIT
1:1
100%

Артикул

Название

Примечание

Количество

1

6737524

KNOB red square - Was 6668913 - A

2

6707101

SEAL

3

7230495

VALVE, LIFT MANUAL See Illustration MANUAL LIFT RELEASE VALVE/ C3422 - manual lift release - Was 6667844 - A

4

31C428

SCREW Was 35C000428B - B

5

35C616

BOLT 5

6

6806343

BRACKET

7

57D4

NUT

8

57D6

NUT 5

9

85K5

ELBOW W/Ref. 10

10

75K6

O-RING

11

6535445

HOSE

11

6535445

HOSE

12

6806404

HOSE

13

21K5

TEE W/Ref. 14

14

79K6

O RING 10

15

57D5

NUT

16

6802983

BRACKET

17

CONTROL VALVE See Illustration HYDRAULIC CONTROL VALVE/ TS1992

18

17C540

BOLT

19

42E606

FITTING W/Ref. 20

20

75K6

O-RING

21

6810580

TUBELINE available only as an assembly W/two danger decals installed - Was 6806489 - A

21

6809511

DECAL, DANGER

22

44E606

HYD FTG W/Ref. 20 & 26

23

6803505

HOSE

23

6803505

HOSE

24

17K5

ELBOW W/Ref. 14

25

6578209

TEE W/Ref. 14

26

55K12

O'RING

Выбрано товаров: 29