Запчасти Bobcat 900s OPERATOR CAB MAIN FRAME

Схема запчастей Bobcat 900s - OPERATOR CAB MAIN FRAME
FIT
1:1
100%

Артикул

Название

Примечание

Количество

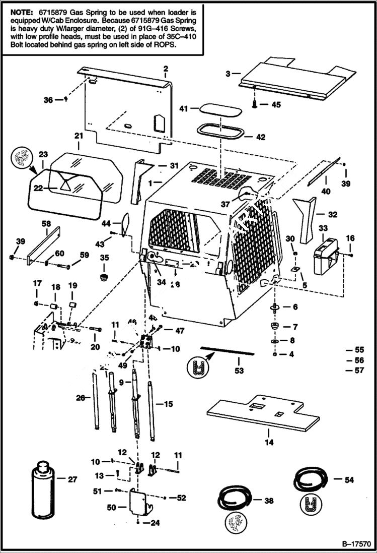
1

6701957

OPERATOR CAB Does NOT include cab decals, plate approval

2

6708682

INSULATION seat back - Use W/ Ref. 36

3

6715094

INSULATION cab top - Use W/Ref. 36 & 45

4

85D8

NUT, 5

5

6553709

WASHER

6

6702971

BOLT

7

6560633

DAMPENER

8

6515817

WASHER

9

GAS SPRING NLA - Order Ref. 24-26

10

6631418

RING, RETAINING

11

6586772

PIN Was 6567743 - A

12

6706349

MOUNT

13

35C516

BOLT 10 Was 84G003112B - A

14

6715095

INSULATION seat pan - Use W/Ref. 27

15

6700171

GAS SPRING w/o lock - also order 6675257, clevis

15

6715879

GAS SPRING KIT heavy duty-SEE NOTE

15

91G416

SCREW SEE NOTE - Was 91G000410B - A

16

6702642

SCREW

17

53D10

NUT Was 83D000010B - B

18

6562602

BUSHING rubber

19

6579613

STOP cab tilt

20

17C1056

BOLT

21

WIND.REAR NLA - Order 6729730 window - Also Order 2134mm (84'') of 6675387 seal and 6554149 cord - Was 6701651 - A

22

6731478

EXIT TAG Was 6559515 - A

23

EXTRUSION NLA - 100''(2540 mm) long - Order Ref. 38

23

CORD NLA - 100''(2540 mm) long - Order Ref. 38 - Also Order Ref. 22 (6731478 exit tag)

24

87D5

NUT

25

6708189

TUBE stop

26

6664205

GAS SPRING also order 6675257, clevis

26

6675257

CLEVIS

27

6652818

ADHESIVE insulation - 24 oz. spray can

28

PLATE APPROVAL NLA

29

6630207

RIVET 5

30

59D8

NUT 5

31

6715098

INSULATION cab back L.H. - Use W/Ref. 36

32

6715097

INSULATION cab back R.H. - Use W/Ref. 36

33

6708827

CONTAINER manuals

34

83D5

NUT 5

35

6664374

PLUG heater hole

36

6664310

CLIP insulation

37

35C412

BOLT Was 35C000410B - B

38

6665568

EXTRUSION bulk - sold per foot

38

6554149

CORD, BULK/FT bulk - sold per foot

39

83D4

NUT 10

40

6703159

TRACK RH

40

6703160

TRACK LH

41

6705735

WINDOW

42

6664351

SEAL Use W/cab headliner

42

6665012

SEAL Use W/O cab headliner

43

17C512

BOLT 5

44

6707879

COVER

45

6669308

RETAINER snap in

46

6589814

BRACKET

47

10C636

BOLT

48

10C624

BOLT

49

97D6

NUT 10

50

6802958

BRACKET

51

9G620

BOLT 5

52

61D6

NUT 5

53

MOULDING NLA - 10.5'' (266mm) long - Order Ref. 54

54

6654139

MOULDING bulk - sold per foot

55

25G412

CAPSCRW10 for 6707879 cover

56

6664090

WASHER for 6707879 cover

57

57D4

NUT for 6707879 cover

58

6736126

COVER

59

35C410

BOLT 5

60

25E13

WASHER 5

Выбрано товаров: 67