Запчасти Bobcat 900s SEAT & SEAT BAR MAIN FRAME

Схема запчастей Bobcat 900s - SEAT & SEAT BAR MAIN FRAME
FIT
1:1
100%

Артикул

Название

Примечание

Количество

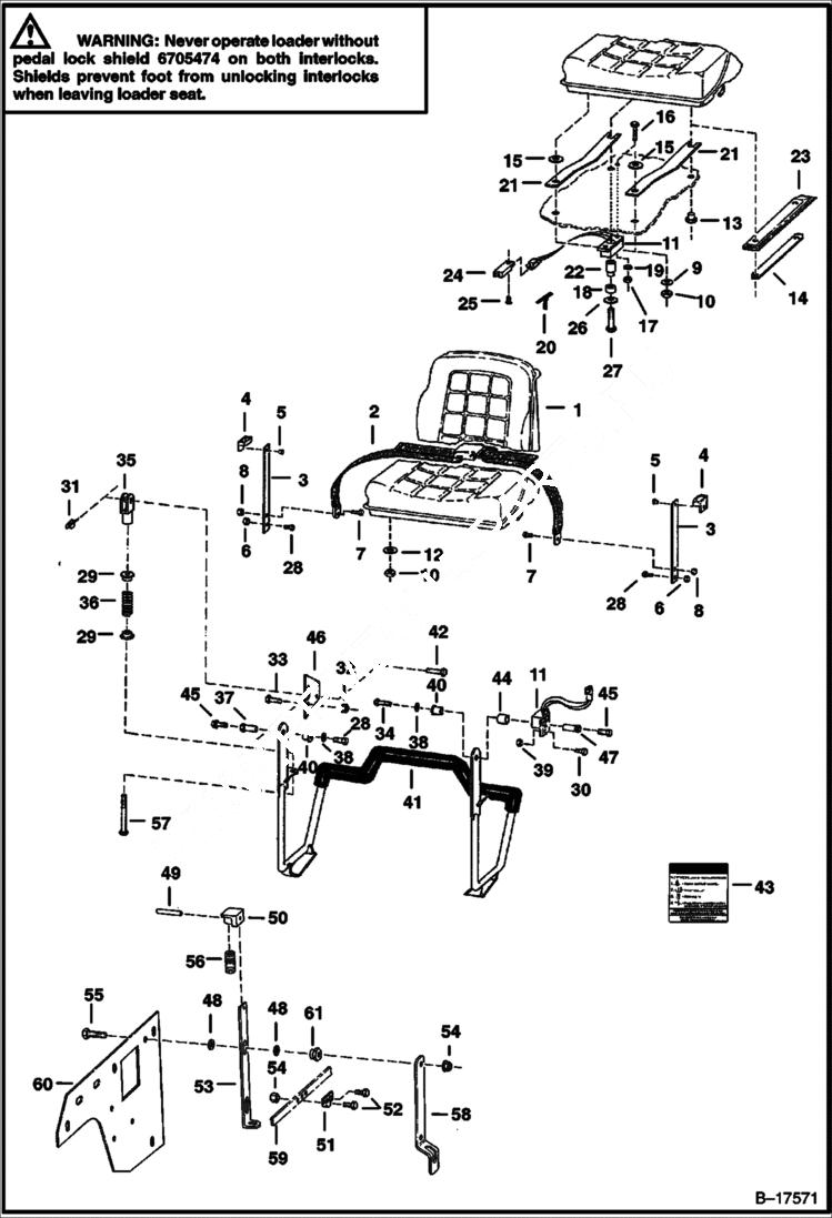
1

SEAT See Illustration SEAT/ B17552 See Illustration SUSPENSION SEAT/ C3375 See Illustration SEAT/ B14720 standard seat requires (1) of Ref. 49 located on RH side - Milsco suspension seat requires (2)

2

SEAT BELT NLA - Order 6675074 seat belt & (2) of Ref. 3 (6725373 spring plates) - Was 6667875 - A

2

SEAT BELT NLA - w/ spring plates - Order 6675074 seat belt & (2) of Ref. 3 (6725373 spring plates) - Was 6725403 - A

2

6675074

SEAT BELT W/O spring plates

3

GUIDE ASSY NLA - W/Ref. 4 & 5 - Order 6711908 spring plate, Ref. 4 & (2) of Ref. 5 - Was 6711907 - A

3

6711908

SPRING PLATE Use W/Ref. 2 (NLA/6667875 )

3

6725373

SPRING PLATE Use W/Ref. 2 (6675074 seal belt)

4

GUIDE NLA - Order 6703703 - Was 6565355 - A

5

6630207

RIVET 5

6

85D6

NUT, 5

7

17C716

BOLT

8

85D7

NUT

9

6701174

WASHER

10

59D5

NUT 5 Was 61D000005B - A

11

7105252

SENSOR, SEAT BAR POSITION Also Order Ref. 20 - Was 6670652 - A

12

6707318

GUIDE washer

13

6707319

NUT spacer

14

6711730

STRIP

15

6706890

WASHER

16

17C428

BOLT FASTENS THRU BODY OF REF. 11- which is 1.75''(44,4 MM) LONG - WAS 6710539 - B

17

50D12

NUT

18

6680472

SENSOR tapered magnetic - Was 6666608 - A

19

25E10

WASHER

20

6680523

KEY,MAGNETIC magnet bushing - Was 6664881 - A

21

6706966

SPRING, SEAT See Illustration SUSPENSION SEAT/ D1897 - plate

22

6710751

BUSHING spacer - 1.67''(42,4 mm) long

23

6711729

COVER

24

6665000

CLIP

25

6664221

RETAINER

26

25E16

WSHR

27

17C508

BOLT

28

17C612

BOLT 5

29

6710659

BUSHING

30

35C412

BOLT fastens thru tab of Ref. 11 - which is 5/8''(15,9 mm) long

31

6631418

RING, RETAINING

32

91D7

NUT

33

17C712

BOLT

34

17C612

BOLT 5

35

6713589

CLEVIS

36

6701535

SPRING

37

6706962

BUSHING

38

25E17

WASHER 5

39

83D4

NUT 10

40

6680441

BUSHING keyed - Was 6664882 - A

41

6716777

SEAT BAR for Use W/Compression Springs

42

4F6106

PIN

43

6707134

DECAL instruction for LCS

44

6680473

BUSHING, MAGNET magnetic - Was 6671135 - A

45

35C608

BOLT Was 35C000612B - A

46

6710660

MOUNT

47

6706685

BUSHING

48

6700170

WASHER plastic

49

14J2512

PIN 5

50

6563148

BLOCK, SPRING

51

6563151

LINK latch

52

17C616

BOLT 5

53

6578150

LOCK See Illustration PANELS/ B17553

54

59D6

NUT Was 83D000006B - B

55

6705489

BOLT

56

6702430

SPRING, COMPRESSION

57

6713887

BOLT

58

6705474

LOCK SHIELD never operate loader without lock shield on bolt interlocks - SEE WARNING

59

BAR See Illustration CONTROL PEDALS/ E2207

60

6718487

PANEL See Illustration PANELS/ B17553 - side - Was 6701346 - A

61

6559479

NUT

Выбрано товаров: 65