Качественные детали и логистика
Оригинальные и аналоговые запчасти с доставкой по России, Казахстану и Беларуси
©2022 PartSell ООО "Система" ИНН 2463123282 ОГРН 1212400004838
Центральный офис: г. Красноярск, Академика Киренского, д.87, пом.4
Телефон: 8 (800) 777-65-74 Email: zakaz@partsell.ru
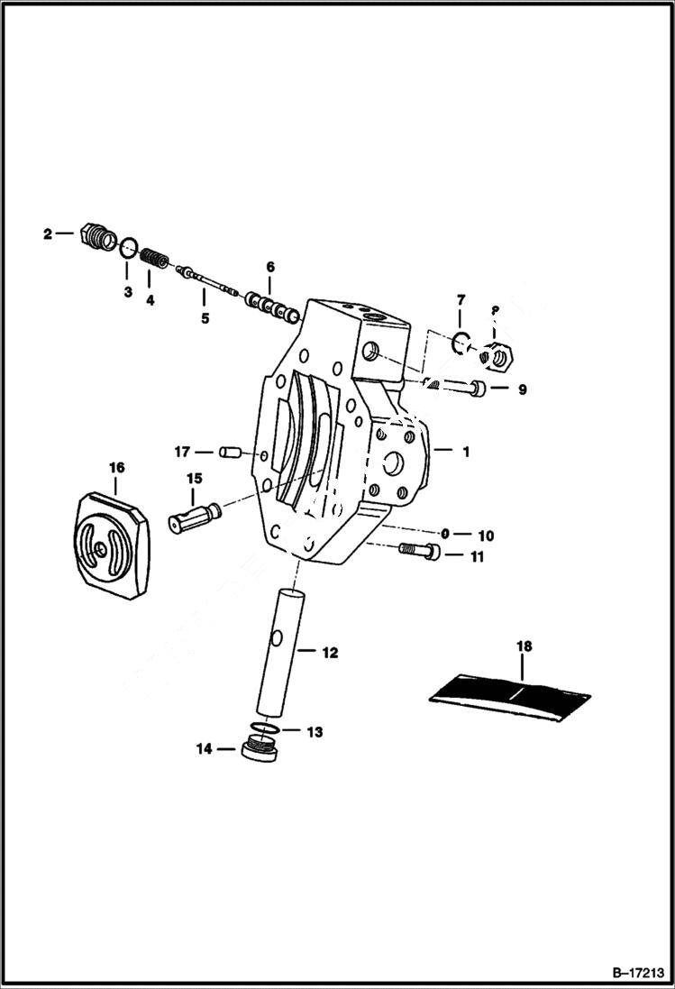
REAR COVER ASSY
№
Артикул
Название
Примечание
Количество
1
PORT BLOCK See Illustration HYDROSTATIC MOTOR/ B17212 NLA - WAS 6671882 - A
2
6671868
PLUG
3
6671869
O-RING
4
6671870
SPRING
5
6671871
SPOOL
6
6671872
BUSHING control
7
6671874
8
6671873
CONNECTOR
9
6671875
SCREW
10
6671883
11
6671876
12
6671880
PISTON
13
6671879
14
6671878
15
6671877
PIN
16
6671867
LENS CONTROL
17
6671881
DOWEL PIN
18
6672018
SEAL KIT See Illustration HYDROSTATIC MOTOR/ B17212 REF. 27
Выбрано товаров: 0