Качественные детали и логистика
Оригинальные и аналоговые запчасти с доставкой по России, Казахстану и Беларуси
©2022 PartSell ООО "Система" ИНН 2463123282 ОГРН 1212400004838
Центральный офис: г. Красноярск, Академика Киренского, д.87, пом.4
Телефон: 8 (800) 777-65-74 Email: zakaz@partsell.ru
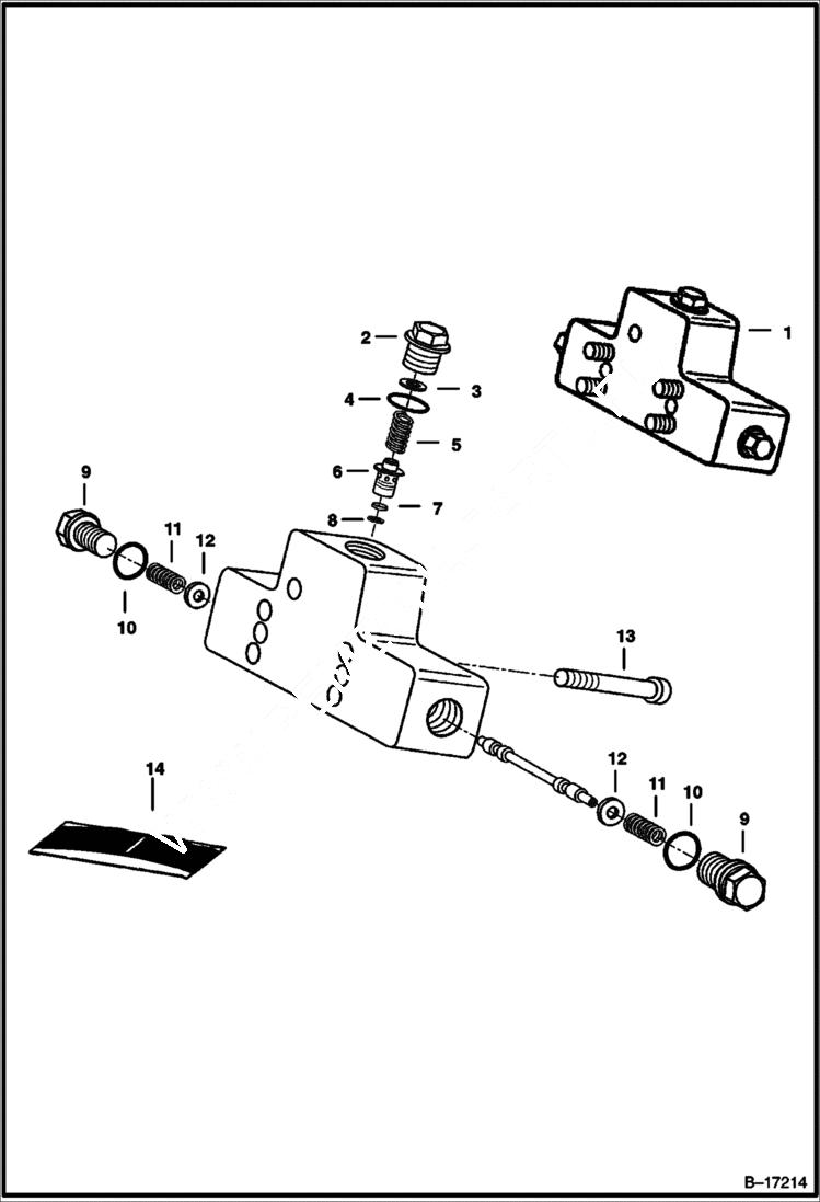
FLUSHING VALVE
№
Артикул
Название
Примечание
Количество
1
6671848
VALVE See Illustration HYDROSTATIC MOTOR/ B17212 REF. 23
2
6967784
SCREW Was 6671884 - A
3
6671885
SHIM
4
6671886
O-RING
5
6674042
SPRING Was 6666366 - A
6
6967782
PISTON relief valve - Was 6671887 - A
7
6671888
ORIFICE
8
6666369
SNAP RING
9
6967783
SCREW Was 6671892 - A
10
6671869
11
6671891
SPRING
12
6967785
WASHER Was 6671890 - A
13
6671889
SCREW
14
6672018
SEAL KIT See Illustration HYDROSTATIC MOTOR/ B17212 REF. 27
Выбрано товаров: 0