Запчасти Bobcat 900s HYDROSTATIC PUMP (Gear Pump End) HYDROSTATIC SYSTEM

Схема запчастей Bobcat 900s - HYDROSTATIC PUMP (Gear Pump End) HYDROSTATIC SYSTEM
FIT
1:1
100%

Артикул

Название

Примечание

Количество

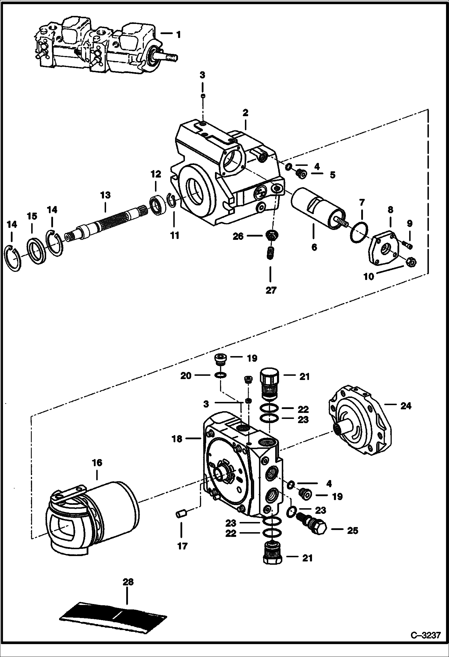
1

6674238

PUMP, HYD TANDEM assembly

2

6671781

HOUSING See Illustration HOUSING ASSY/ B17218

3

6671747

ORIFICE

4

6671749

O-RING

5

PLUG NLA - Order 6689129 - Was 6671759 - A

6

PISTON See Illustration PISTON ASSY/ B17219 NLA

7

6671743

O-RING

8

6671760

COVER piston

9

6682968

SCREW Was 6671761 - A

10

6674907

NUT

11

6671780

SNAP RING

12

6688018

BEARING Was 6671779 - A

13

6671778

SHAFT

14

6671741

SNAP RING

15

6671742

SEAL shaft

16

BLOCK See Illustration BLOCK - ROTARY GROUP/ B17217 ROTATING GROUP

17

6688010

PIN Was 6671750 - A

18

PORT BLOCK See Illustration PORT BLOCK/ B17216 NLA - WAS 6671827 - A

19

6666364

PLUG

20

6671758

O-RING

21

6698052

VALVE PRESS RELIEF pressure relief - preset to 320 bar delta - Was 6682914 - A

22

6671752

O-RING

23

6671753

O-RING

24

6671824

CHARGE PUMP See Illustration CHARGE PUMP/ B17220

25

6671754

RELIEF VALVE

26

6671746

NUT

27

6671744

SCREW

28

6672016

SEAL KIT See Illustration HOUSING ASSY/ B17218 See Illustration PORT BLOCK/ B17216 See Illustration CHARGE PUMP/ B17220 See Illustration PISTON ASSY/ B17219 - W/Ref. 4, 7, 15, 20, 22 & 23 on this page

Выбрано товаров: 28