Запчасти Bobcat 900s HYDROSTATIC PUMP (Pulley Side) HYDROSTATIC SYSTEM

Схема запчастей Bobcat 900s - HYDROSTATIC PUMP (Pulley Side) HYDROSTATIC SYSTEM
FIT
1:1
100%

Артикул

Название

Примечание

Количество

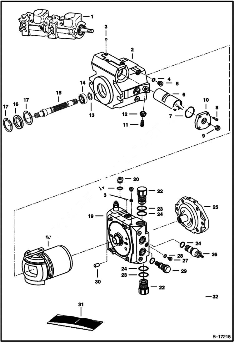
1

6674238

PUMP, HYD TANDEM assembly

2

6671781

HOUSING See Illustration HOUSING ASSY/ B17218

3

6671747

ORIFICE

4

6671749

O-RING

5

PLUG NLA - Order 6689129 - Was 6671759 - A

6

PISTON See Illustration PISTON ASSY/ B17219 NLA

7

6671743

O-RING

8

6682968

SCREW Was 6671761 - A

9

6674907

NUT

10

6671760

COVER piston

11

6671744

SCREW

12

6671746

NUT

13

6671780

SNAP RING

14

6688018

BEARING Was 6671779 - A

15

6674908

SHAFT

16

6671742

SEAL shaft

17

6671741

SNAP RING

18

BLOCK See Illustration BLOCK - ROTARY GROUP/ B17217 ROTATING GROUP

19

PORT BLOCK See Illustration PORT BLOCK/ B17216 NLA - WAS 6671807 - A

20

6666364

PLUG

21

6674910

O-RING

22

6698052

VALVE PRESS RELIEF pressure relief - preset to 320 bar delta - Was 6682914 - A

23

6671752

O-RING

24

6671753

O-RING

25

6671740

CHARGE PUMP See Illustration CHARGE PUMP/ B17220

26

FILTER NLA - Order 6678723 & 6678724 - Was 6671757 - A

27

6671784

O-RING

28

6671783

PLUG

29

6671754

RELIEF VALVE charge

30

6688010

PIN Was 6671750 - A

31

6672016

SEAL KIT See Illustration HYDROSTATIC PUMP/ C3237 REF. 28

32

6675616

CAP tamper proof

Выбрано товаров: 32