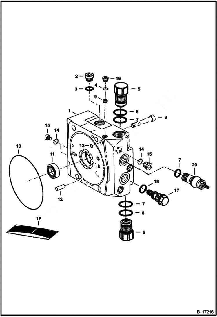
Запчасти Bobcat 900s PORT BLOCK HYDROSTATIC SYSTEM

Схема запчастей Bobcat 900s - PORT BLOCK HYDROSTATIC SYSTEM
FIT
1:1
100%

Артикул

Название

Примечание

Количество

1

PORT BLOCK See Illustration HYDROSTATIC PUMP/ B17215 See Illustration HYDROSTATIC PUMP/ C3237 - NLA - W/Ref. 2-15 on this page - Ref. 18 on page HYDROSTATIC PUMP (Gear Pump End), & Ref. 19 on page HYD

2

6666364

PLUG W/Ref. 3

3

6671758

O-RING

4

6671749

O-RING

5

6674912

RELIEF VALVE

6

6671752

O-RING backup

7

6671753

O-RING

8

6967514

SCREW Was 6671808 - A

9

6671747

ORIFICE

10

6671809

O-RING

11

6688040

BEARING Was 6671811 - A

12

6682919

PIN Was 6671812 - A

13

6671810

O-RING

14

6671784

O-RING

15

6671783

PLUG

16

PLUG NLA - Order 6689129 - Was 6671759 - A

17

6671754

RELIEF VALVE charge pressure

18

6671752

O-RING

19

6672016

SEAL KIT See Illustration HYDROSTATIC PUMP/ C3237 REF. 28

20

FILTER See Illustration HYDROSTATIC PUMP/ B17215

Выбрано товаров: 20