Запчасти Bobcat 900s STARTER ELECTRICAL SYSTEM

Схема запчастей Bobcat 900s - STARTER ELECTRICAL SYSTEM
FIT
1:1
100%

Артикул

Название

Примечание

Количество

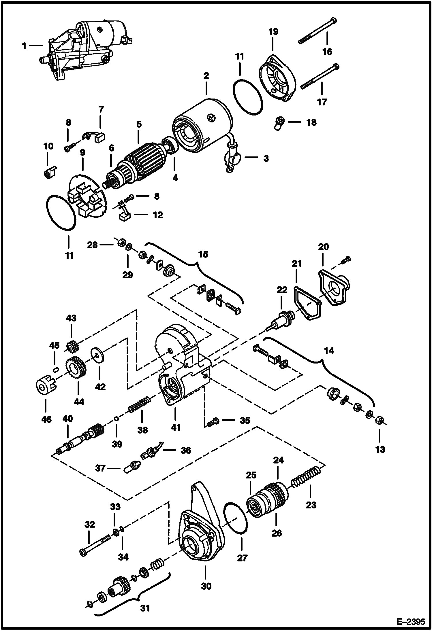
1

6667320

STARTER

1

6667320REM

STARTER

2

6669345

YOKE

3

6669365

BOOT

4

6669349

BEARING

5

6669346

ARMATURE ASSY

6

6669347

BEARING

6

6669348

BEARING

7

6669371

BRUSHES

8

6666634

BOLT W/washer

9

6669361

HOLDER brush

10

6669362

SPRING brush

11

6669368

O-RING

12

6669370

BRUSHES

13

6666637

NUT

14

6669358

KIT starter

15

6669357

KIT starter

16

6669367

BOLT

17

6669366

BOLT

18

6669372

COVER

19

6669436

FRAME end

20

6632434

COVER solenoid

21

6632433

GASKET switch

22

6632432

PLUNGER

23

6632441

SPRING compression

24

6669353

BEARING

25

6669352

BEARING

26

6666622

DRIVE Ref. 23, 24, 25, 31 & 40

27

6666632

O-RING

28

6666628

NUT

29

6666630

WASHER

30

6669434

HOUSING

31

6669350

KIT starter

32

6666633

BOLT

33

WASHER NSS - Was 6666629 - A

34

6666631

WASHER

35

6666635

BOLT W/washer

36

6669359

TERMINAL

37

6669360

BUSHING drain

38

6632436

SPRING compression oil

39

6632435

BALL steel

40

6669354

SHAFT

41

6669435

SWITCH ASSY magnetic

42

6666624

SNAP RING

43

6669369

PINION

44

6669364

PINION

45

6632430

ROLLER clutch

46

6632429

RETAINER

Выбрано товаров: 48