Запчасти Bobcat 900s ENGINE & ATTACHING PARTS (Air Cleaner & Muffler) POWER UNIT

Схема запчастей Bobcat 900s - ENGINE & ATTACHING PARTS (Air Cleaner & Muffler) POWER UNIT
FIT
1:1
100%

Артикул

Название

Примечание

Количество

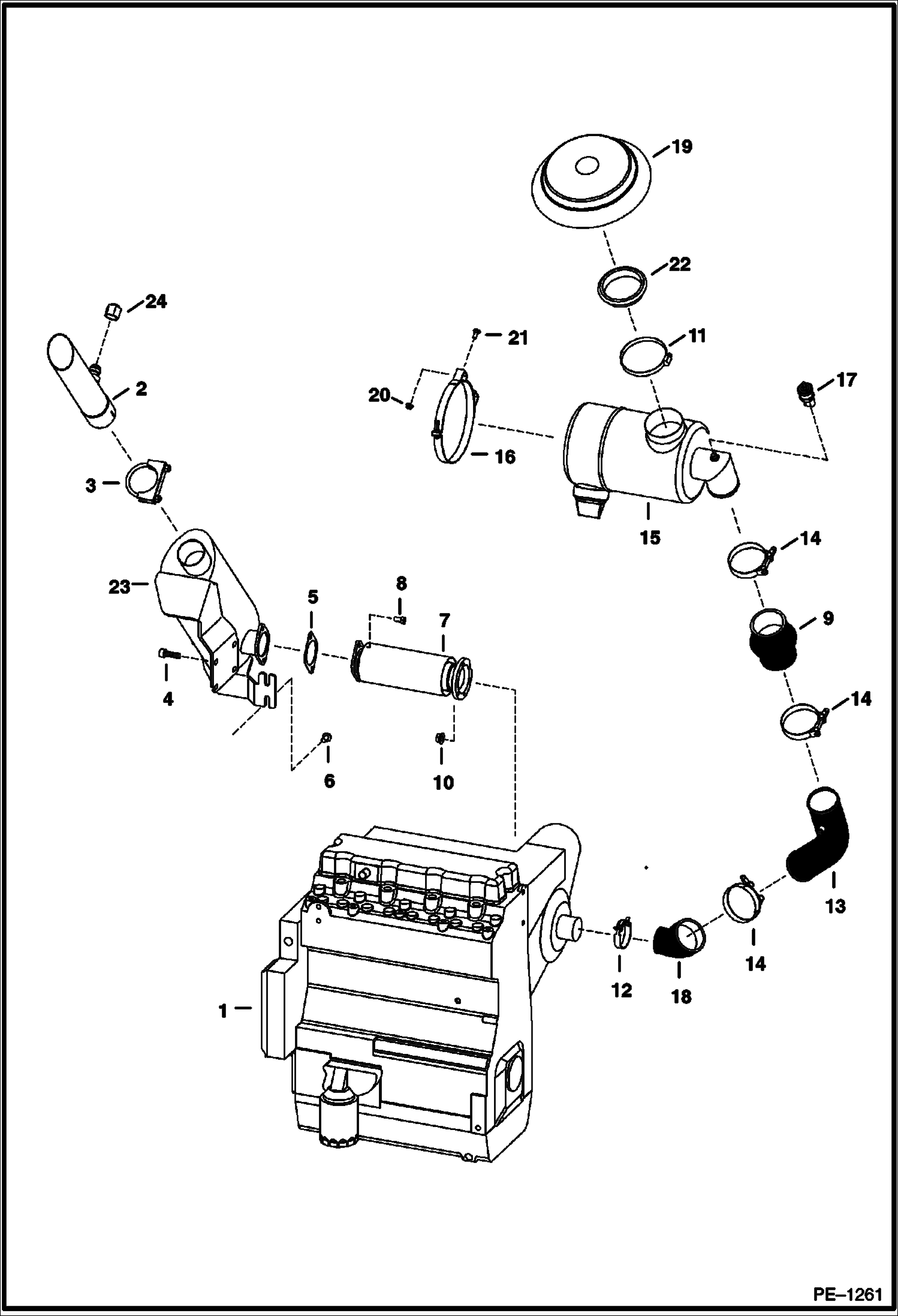
1

ENGINE See Illustration ENGINE & UPPER GASKET KIT/ B17225

2

6807156

TUBE exhaust

3

6660863

CLAMP assy

4

6668287

SCREW

5

6802731

GASKET

6

29CM1020

BOLT

7

6675379

PIPE exhaust - no gasket between exhaust pipe & engine turbo charger

7

6669677

PIPE exhaust - no gasket between exhaust pipe & engine turbo charger

8

17C612

BOLT 5

9

6804067

HOSE air cleaner

10

49DM8

NUT

11

44H64

CLAMP

12

5HM61

HOSECLAMP

13

6804069

HOSE air filter

14

7009353

CLAMP, T-BOLT Was 6670598 - A

15

6672636

AIR CLEANER See Illustration AIR CLEANER/ B17249

16

6670562

BAND

17

6668907

GAUGE restrictor

18

6804202

HOSE reducer

19

6670564

COVER air inlet

20

55D5

NUT

21

37C512

BOLT

22

SEAL NLA - air filter - 12.25'' (311.15 mm) long - Was 6804454 - A

23

6675277

MUFFLER exhaust

24

36K8

CAP

Выбрано товаров: 25