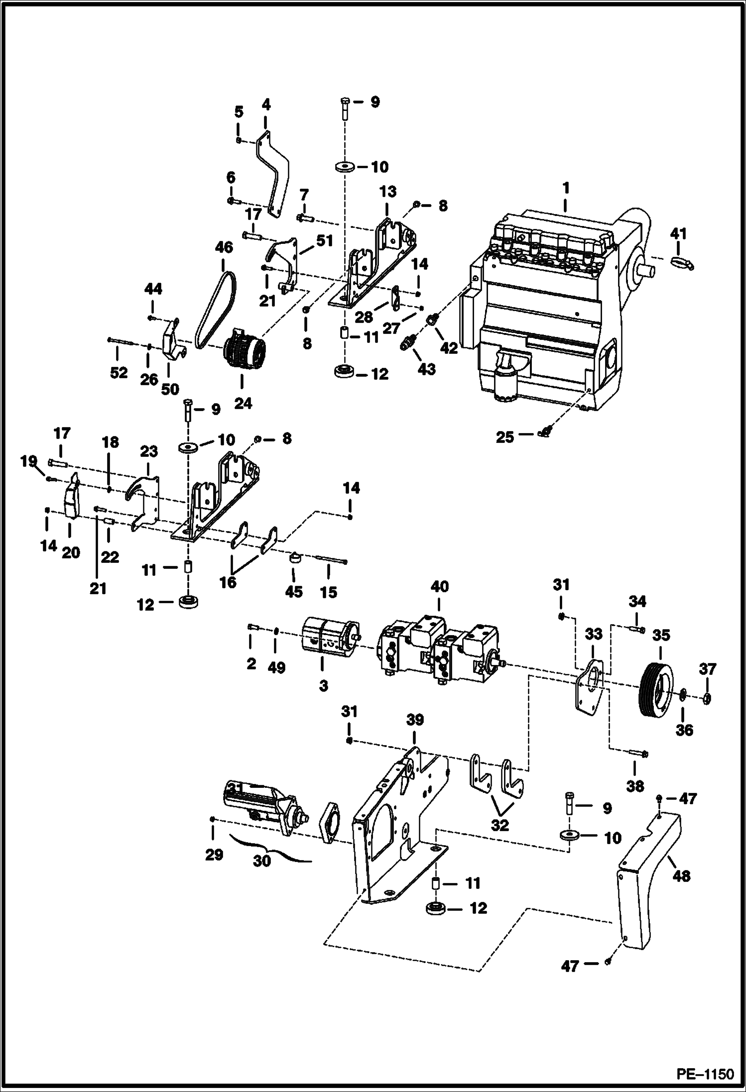
Запчасти Bobcat 900s ENGINE & ATTACHING PARTS (Engine Mounts) POWER UNIT

Схема запчастей Bobcat 900s - ENGINE & ATTACHING PARTS (Engine Mounts) POWER UNIT
FIT
1:1
100%

Артикул

Название

Примечание

Количество

1

ENGINE See Illustration ENGINE & UPPER GASKET KIT/ B17225

2

17C820

BOLT

3

6674739

GEAR PUMP See Illustration DUAL GEAR PUMP/ MS1379

4

6805740

MOUNT pump

5

53DM12

NUT Was 1DM00012B - B,D

6

35C824

BOLT

7

29CM1650

BOLT

8

29CM1220

BOLT

9

17C1248

BOLT

10

6802984

WASHER

11

6806112

SPACER tube - 1.525'' long

12

6661785

MOUNT, ENG

13

6805743

MOUNT ASSY front engine

14

57D6

NUT 5

14

57D6

NUT 5

14

57D6

NUT 5

14

57D6

NUT 5

15

17C680

BOLT

15

17C680

BOLT

16

6628129

PLATE alternator

17

1CM1665

SCREW

18

25E16

WSHR

18

25E16

WSHR

19

35C520

BOLT

19

35C520

BOLT

20

6803142

SHIELD alternator

21

17C624

BOLT 5 Was 35C000624B - B

22

6803151

SPACER

22

6803151

SPACER

23

6596840

BRACKET alternator

24

ALTERNATOR See Illustration ALTERNATOR/ C3312

25

6513679

VALVE

26

27E5

WASHER

26

27E5

WASHER

27

59D5

NUT 5

27

59D5

NUT 5

28

6809569

BRACKET

28

6809569

BRACKET

29

97D6

NUT 10

30

STARTER See Illustration STARTER/ E2395

31

55D8

NUT

32

6596847

MOUNT pump

33

6596846

MOUNT pump

34

17C832

BOLT

35

6805533

PULLEY pump

36

6805550

WASHER

37

6805549

NUT

38

35C840

BOLT

39

6805974

MOUNT ASSY rear engine

40

6674238

PUMP, HYD TANDEM

41

42HC250

CLAMP Was 6671626 - A

42

19F4

BUSHING

43

VALVE NLA - air bleed - Was 6672330 - A

44

29CM820

SCREW

45

30H60

CLIP

45

30H60

CLIP

46

6617875

BELT alternator

47

84G3712

BOLT 5

48

6805563

SHIELD

49

6557929

WASHER

50

6809072

SHIELD

50

6809072

SHIELD

51

6807622

BRACKET

51

6807622

BRACKET

52

17C568

BOLT

52

17C568

BOLT

Выбрано товаров: 66