Качественные детали и логистика
Оригинальные и аналоговые запчасти с доставкой по России, Казахстану и Беларуси
©2022 PartSell ООО "Система" ИНН 2463123282 ОГРН 1212400004838
Центральный офис: г. Красноярск, Академика Киренского, д.87, пом.4
Телефон: 8 (800) 777-65-74 Email: zakaz@partsell.ru
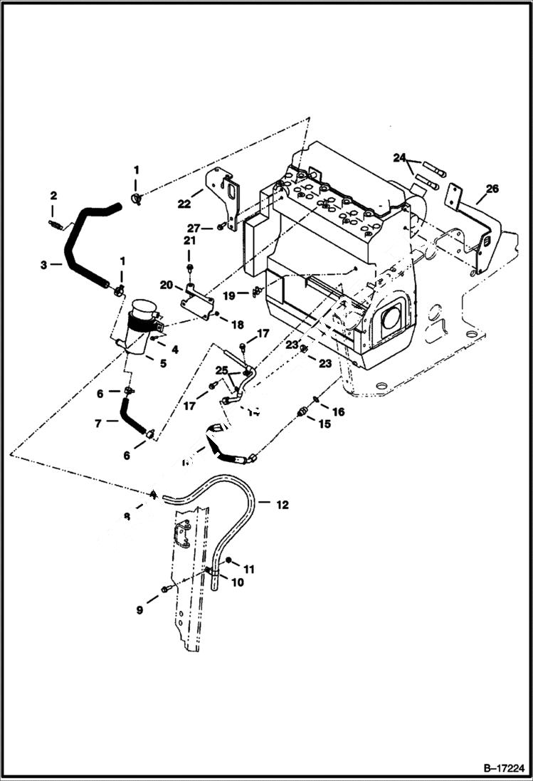
ENGINE & ATTACHING PARTS
№
Артикул
Название
Примечание
Количество
1
5HM29
HOSECLAMP Was 5HM00027B - A
2
6675704
CLAMP
3
6675703
HOSE
4
29CM625
BOLT
5
6675702
OIL SEPERATOR
6
5HM20
7
6807278
8
5HM23
9
35C620
BOLT 5
10
30H50
CLIP
11
57D6
NUT 5
12
6672296
HOSE breather
6671651
SPRING inside of hose
13
6807277
14
6807276
TUBELINE
15
15K6
ADAPTER W/Ref. 16
16
6571723
WASHER
17
84G3716
SCREW 5
18
43DM6
NUT
19
6513679
VALVE
20
6807275
BRACKET
21
29CM1020
22
6800742
BRACKET See Illustration COOLING SYSTEM/ PE1263
23
6704484
24
42HC250
CLAMP Was 6671626 - A
25
30H31
CLAMP 10
26
6807187
MOUNT See Illustration COOLING SYSTEM/ PE1263 ENGINE
27
6668573
SCREW
Выбрано товаров: 0