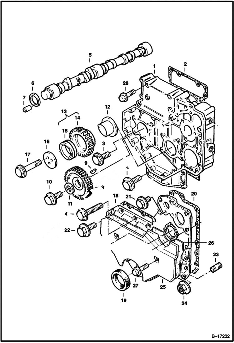
Запчасти Bobcat 900s TIMING GEARS POWER UNIT

Схема запчастей Bobcat 900s - TIMING GEARS POWER UNIT
FIT
1:1
100%

Артикул

Название

Примечание

Количество

1

6670912

HOUSING

2

6668257

GASKET

3

6668212

SCREW

4

6668278

SCREW

5

6670913

CAMSHAFT

6

6668260

WASHER

7

873222

PIN

8

6668261

GEAR camshaft

9

6J807

KEY, WOODRUFF

10

29CM1245

SCREW

11

6668263

WASHER

12

7013155

BEARING PLATE Was 3490179 - A

13

3679424

GEAR idler

14

GEAR NSS - idler - Order Ref. 13

15

3490181

BSHG

16

PLATE NLA - retainer - Order 7021632 Plate and (3) of 6668287 Screw - Was 6668264 - A

17

6649440

BOLT

18

COVER NLA - Order 6924348 (oil seal, front) & 7008360 (cover) - Was 6670914 - A

19

6924348

FRONT OIL SEAL Was 3738154 - D

20

6670915

GASKET

21

6668267

SCREW

22

6668268

SCREW

23

6668298

STUD

24

6668270

NUT

25

6670916

SHIELD

26

6670917

DAMPER

27

6668276

SCREW

28

6668287

SCREW See Illustration ENGINE & ATTACHING PARTS/ PE1261 MUFFLER BRACKET

Выбрано товаров: 28