Запчасти Bobcat 900s BOB-TACH MAIN FRAME

Схема запчастей Bobcat 900s - BOB-TACH MAIN FRAME
FIT
1:1
100%

Артикул

Название

Примечание

Количество

1

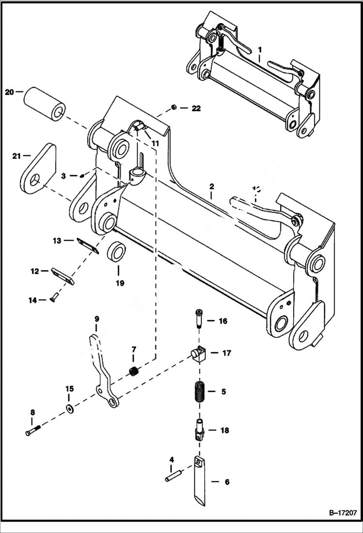
BOB-TACH See Illustration DECALS/ B11949 - NLA - Ref. 2 - 22 - Order 6809970 - Also Order 6561383 decal - Was 6597415 - A

2

FRAME See Illustration DECALS/ B11949 NLA - Order Ref. 1

3

10H35

FITTING, GREASE 10

4

14J5032

PIN, STRAIGHT Was 14J005044B - A

5

6578253

SPRING, COMPRESSION

6

WEDGE NLA - Order 6807545 - Was 6589688 - A

6

6807545

WEDGE

7

6704453

SPRING

8

17C636

BOLT

9

6589690

LEVER L.H. - Was 6569690 - D

10

6589691

LEVER R.H. - Was 6569691 - D

11

6589683

STUD

12

6803659

STOP

13

6803660

SHIM

14

9G620

BOLT 5 Was 85D000006B - B

15

619021

WASHER, 5

16

6572050

BOLT

17

6589692

PIVOT

18

6704248

PIVOT, WEDGE

19

6595338

BUSHING Weld On

20

6800823

BUSHING Weld On

21

6589686

PIVOT Weld On

22

95D6

NUT Was 91D000006B - A

Выбрано товаров: 23