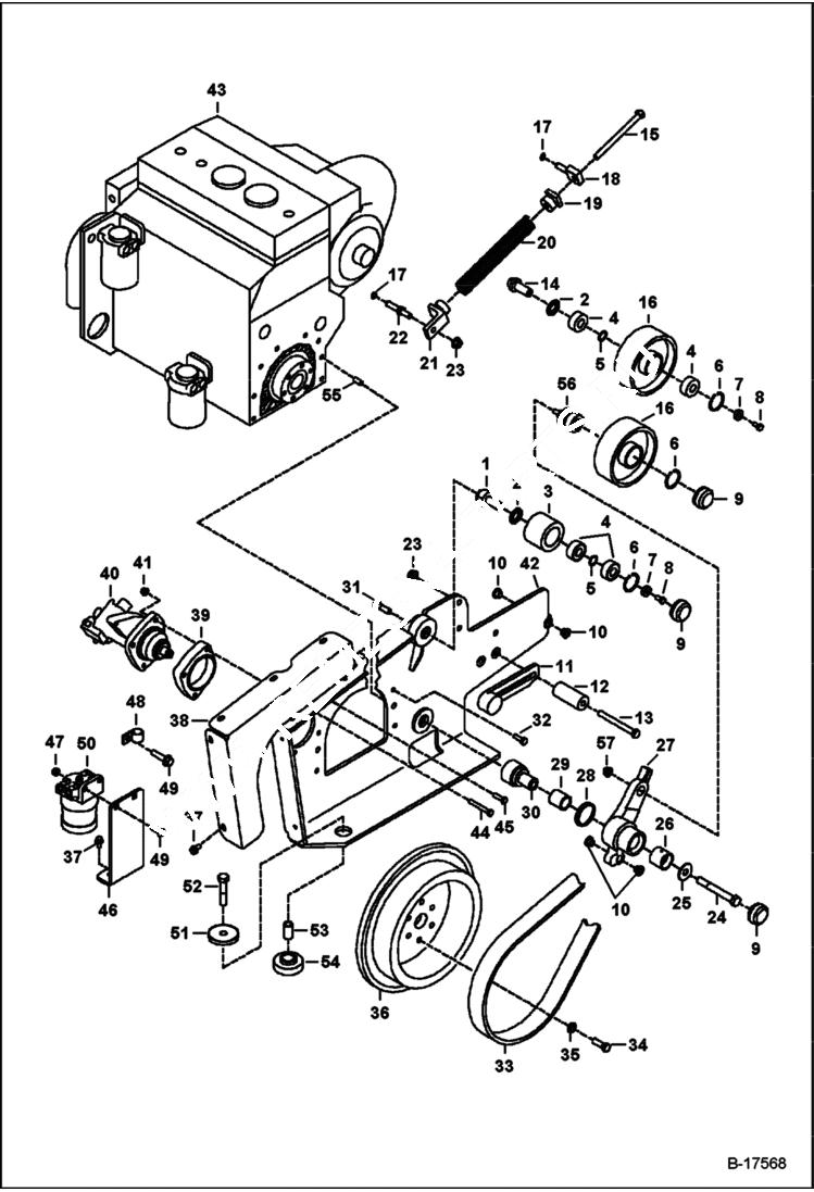
Запчасти Bobcat 900s ENGINE & ATTACHING PARTS (Belt Drive System) POWER UNIT

Схема запчастей Bobcat 900s - ENGINE & ATTACHING PARTS (Belt Drive System) POWER UNIT
FIT
1:1
100%

Артикул

Название

Примечание

Количество

1

6800293

PIN top idler

2

SEAL NSS - Order Ref. 56 & 57 - Was 6665307 - B

3

6800688

PULLEY top idler

4

BEARING NSS - Order Ref. 56 & 57 - Was 6661229 - B

5

SHIM NSS - Order Ref. 56 & 57 - Was 6701159 - B

6

6665308

SNAP RING

7

WASHER NSS - counterbored - Order Ref. 56 & 57 - Was 6707697 - B

8

BOLT 5 NSS - Order Ref. 56 & 57 - Was 17C612 - B

9

6660967

CAP Use 6658266 grease - Was 6660697 - D

10

1313116

BUSHING

11

6800238

STOP idler

12

6801005

SPACER

13

17C880

BOLT

14

6707654

SPINDLE spindle

15

6800450

BOLT

16

6800475

IDLER drive

17

6518955

SNAP RING

18

6587182

SWIVEL PIN swivel

19

6568425

ADAPTER

20

6569498

SPRING ASSY

21

6596850

BRACKET idler

22

6596851

PIN idler

23

55D8

NUT

24

17C1080

SCREW

25

6596839

WASHER

26

6671035

BUSHING

27

6802839

LINK idler

28

6661377

SEAL

29

6802852

TEE

30

6802854

PIVOT PIN

31

17C828

BOLT Was 1C-828 - A

32

1CM1030

BOLT

33

6669565

BELT, DRIVE drive

34

18C824

BOLT

35

6557929

WASHER

36

6800808

FLYWHEEL ASSY engine

36

6515771

RING GEAR

37

84G3712

BOLT 5

38

6596849

SHIELD drive

39

6562480

SPACER starter

40

STARTER See Illustration STARTER/ E2395

41

97D6

NUT 10

42

MOUNT ASSY NLA - rear engine - Order 6805974 & 6805563 - Was 6800320 - A

43

ENGINE See Illustration ENGINE & UPPER GASKET KIT/ B17225

44

17C644

BOLT

45

17C620

BOLT

46

6800223

BRACKET fuel filter

47

55D6

NUT

48

30H60

CLIP

49

37C620

BOLT Was 35C000620B - D

50

FUEL FILTER See Illustration PUMP FUEL PRE-LIFT/ B17247

51

6802984

WASHER

52

17C1248

BOLT

53

6804742

SPACER tube

54

6661785

MOUNT, ENG engine

55

6924344

DOWEL Was 3725347 - A

56

6691330

BEARING idler

57

95D8

NUT

Выбрано товаров: 58