Запчасти Bobcat 900s OPERATOR CAB MAIN FRAME

Схема запчастей Bobcat 900s - OPERATOR CAB MAIN FRAME
FIT
1:1
100%

Артикул

Название

Примечание

Количество

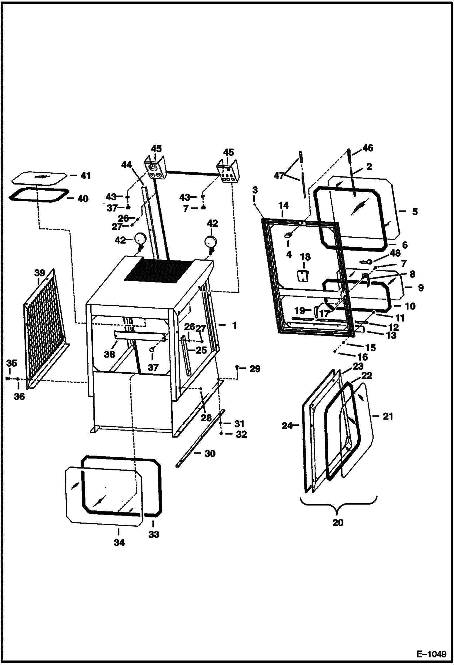
1

OPERATOR CAB NLA - Was 6501693 - A

2

1550697

BLADE

3

6505080

GROMMET

4

MOTOR NLA - windshield wiper - Order 6661220 & 6661221 - Was 1550696 - A

4

MOTOR NLA - upper door - 7/32'' x 24 1/4'' x 25 1/16'' laminated - Was 6661220 - A

5

WINDOW NLA - safety glass - purchase locally

6

SEAL NLA

7

53G508

SCREW

8

1550695

HANDLE W/Key

9

WINDOW NLA - lower door - 7/32'' x 24 1/4'' x 11 3/8'' - laminated safety

10

SEAL NLA - glass - purchase locally

11

SCREW NLA - Was 45G516 - A

12

6504111

STRIP

13

SEAL NLA - Was 6504112 - A

14

6501694

DOOR FRAME door

15

WASHER NLA - Was 17E000005B - A

16

12D5

NUT

17

SCREW NLA - Was 59G1208 - A

18

6598475

DOOR LATCH door

19

6515600

HANDLE inside

20

WINDOW NLA - right - Ref. 21-24 - Was 6501829 - A

20

WINDOW NLA - left - Ref. 21-24 - Was 6501828 - A

21

WINDOW NLA

22

SEAL NLA

23

6501821

FRAME window - Right

23

6501820

FRAME window - Left

24

WEATHERSTRIP NLA

25

6504467

CHANNEL

26

4E4

WASHER

27

61D4

NUT 5

28

6515275

NUTSERT

29

17C616

BOLT 5

30

6505214

PAD

31

4E6

WASHER

32

61D6

NUT 5

33

SEAL NLA

34

WINDOW NLA - rear

35

17C612

BOLT 5

36

25E17

WASHER 5

37

6515585

KNOB

38

COVER NLA - Was 6504312 - A

39

SCREEN NLA - left - Was 6501825 - A

39

SCREEN NLA - right - Was 6501824 - A

40

SEAL NLA

41

WINDOW NLA - top

42

FRONT LIGHT NLA - Order 6644980 or 6644961 - Was 6517676 - A

43

25E13

WASHER 5

44

6504460

CHANNEL

45

6501745

PANEL See Illustration ELECTRICAL CIRCUITRY/ E1058 See Illustration ELECTRICAL CIRCUITRY/ E1019 Inst.

46

1744552

ARM Was 852454B - A

47

ARM & BLADE NLA - Was 6661221 - A

48

6665409

KEY

Выбрано товаров: 52