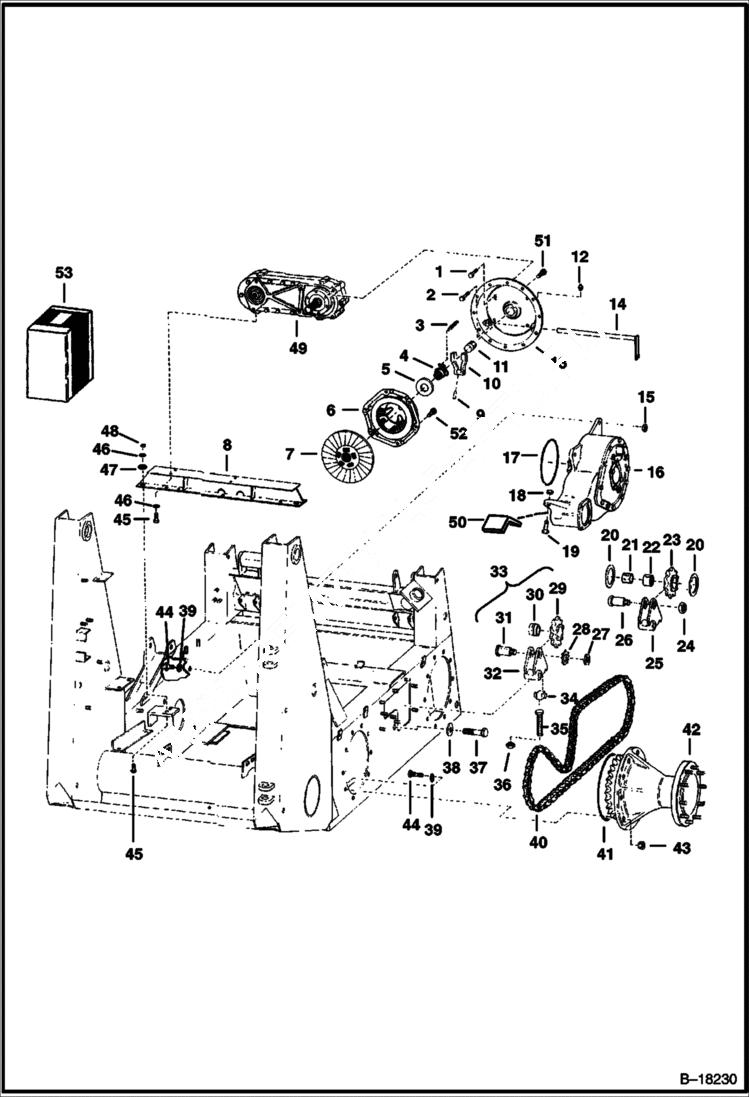
Запчасти Bobcat 900s DRIVE TRAIN (Diesel Engine) DRIVE TRAIN

Схема запчастей Bobcat 900s - DRIVE TRAIN (Diesel Engine) DRIVE TRAIN
FIT
1:1
100%

Артикул

Название

Примечание

Количество

1

17C864

BOLT

2

17C860

BOLT

3

957623

SPRING

4

6507604

HUB

5

6513687

BEARING

6

PLATE NSS - pressure - Order Ref. 53

7

PLATE NLA - clutch - Was 6593173 - A

8

6505119

SUPPORT

9

675351

ROLL PIN

10

FORK NLA - Was 6591436 - A

11

6505229

SLIDE

12

10H25

FITTING, GREASE 5

13

HOUSING NLA - clutch - Order 6592642 Housing & 6591403 Adapter

14

6505120

ARM

15

NUT NLA - Was 6540835 - A

16

GEARCASE See Illustration REDUCTION GEARCASE/ D1164 Clark

16

GEARCASE See Illustration REDUCTION GEARCASE/ D1043 Funk

17

25K80816

O RING 10

18

61D12

NUT

19

17C1240

BOLT

20

WASHER NLA - thrust - Order Ref. 33

21

RACE NLA - Order Ref. 33

22

BEARING NLA - Order Ref. 33

23

SPROCKET NLA - Order Ref. 33

24

NUT NLA - Order Ref. 33

25

BRACKET NLA - left - Order Ref. 33

26

SHAFT NLA - Order Ref. 33

27

24H8

NUT

28

26H8

LOCKWASHR

29

6544566

SPROCKET

30

6519877

BEARING

31

6544565

SHAFT

32

6544580

BRACKET left

32

6544581

BRACKET R.H.

33

IDLER ASSY. NLA - left - Order Ref. 27-32 - Was 6546042 - A

33

IDLER ASSY. NLA - Right - Order Ref. 27-32 - Was 6546043 - A

34

6591870

BLOCK

35

6591300

BOLT

36

62D16

NUT

37

6590827

BOLT

38

6632566

WASHER sealing - Was 6518221 - A

39

6505041

WASHER

40

6590947

CHAIN W/Connector Link

40

6511656

LINK connector

41

6558518

O-RING

42

AXLE ASSY. See Illustration AXLE & HUB ASSEMBLY/ C1315

43

6503766

NUT

44

6592304

BOLT

45

17C824

BOLT 5

46

4E8

WASHER

47

25E21

WASHER 5

48

61D8

NUT 5

49

CASE NLA - transfer - Was 6505121 - A

50

6542860

ANGLE support

51

17C616

BOLT 5

52

6593093

BOLT

53

6568499

KIT pressure plate - Ref. 6 & 52

Выбрано товаров: 57