Запчасти Bobcat 900s ELECTRICAL CIRCUITRY (Diesel) ELECTRICAL SYSTEM

Схема запчастей Bobcat 900s - ELECTRICAL CIRCUITRY (Diesel) ELECTRICAL SYSTEM
FIT
1:1
100%

Артикул

Название

Примечание

Количество

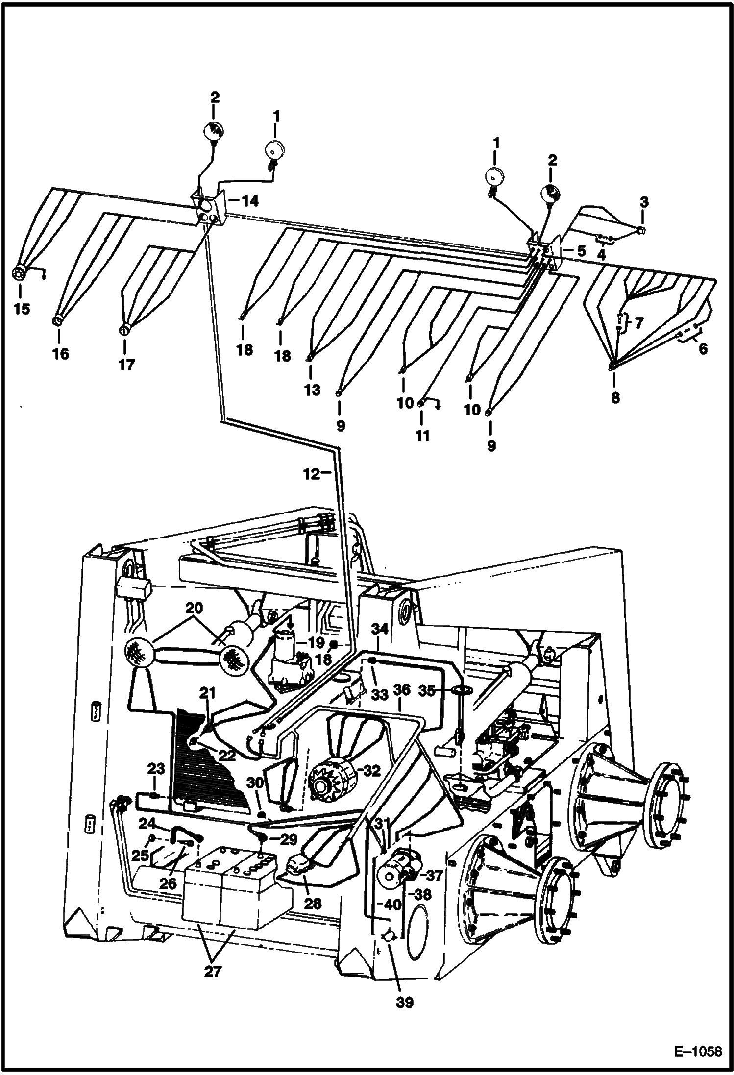
1

FRONT LIGHT NLA - Order 6644980 or 6644961 - Was 6517676 - A

1

877752

4411 BULB

2

6557903

LIGHT flasher

2

6517517

LENS Amber

3

6557904

FLASHER Was 6515514 - A

4

6501796

WIRE ASSY. W/14 Amp. Fuse

5

PANEL NLA - instrument - R.H. - Was 6501747 - A

6

HOLDER NLA - W/40 amp. fuse - Was 733642 - A

6

6518132

FUSE 40 Amp.

7

6501785

WIRE ASSY. W/30 Amp. Fuse

8

6518763

SWITCH ignition - W/Key

8

6662302

NUT Was 6662303 - B

8

6E9

LOCKWASHE

8

6505412

KEY ignition

9

LIGHT NLA - water temp, hydro, oil press & temp - Was 6515525 - A

10

6515521

SWITCH toggle

11

LIGHT NLA - engine oil pressure - Was 6515526 - A

12

HARNESS NLA - wiring - wAS 6501748 - A

13

6515522

SWITCH toggle

14

6501746

PANEL instrument - L.H.

15

6504897

GAUGE tachometer & hourmeter

16

FUEL GUAGE NLA - W/clamp - Order 6669665 gauge & 6679027 clamp - Was 6658820 - B

16

6669665

FUEL GUAGE W/O clamp

17

6515474

GAUGE Was 6550968 - A

18

6504108

GROMMET rubber

19

6501767

PUMP See Illustration CAB TILT MOTOR & PUMP/ B18214 See Illustration CAB TILT MOTOR & PUMP/ B1103

20

6515513

REAR LIGHT

20

LENS NLA - Was 6515219 - A

21

6515523

SWITCH toggle

22

6515510

COVER toggle switch

23

6515476

SWITCH hydro. oil temp. sending

24

6553094

CABLE battery - Ground

25

61D6

NUT 5

26

17C616

BOLT 5

27

6669318

BATTERY Was 6665917 - A

28

908239

VOLT REG voltage - Use old mounting bracket - Was 1810770B - A

29

CABLE NLA - battery - positive - Was 755142B - A

30

1023368

GROMMET rubber

31

6515472

SWITCH oil pressure sending

32

ALTERNATOR See Illustration ALTERNATOR/ B18332 See BTI258 Was 1536554B - A

33

6513193

SENDER temperature sending

34

6594344

HARNESS Was 6501788 - A

35

6598921

SENDER fuel level

36

HARNESS NLA - wiring - Was 6505145 - A

37

STARTER See Illustration STARTER/ B18335 See Illustration STARTER/ B1388

38

WIRE NLA - Was 6509986 - A

39

6659319

SOLENOID starter - Was 6632186 - A

40

WIRE NLA - Was 6509985 - A

Выбрано товаров: 48