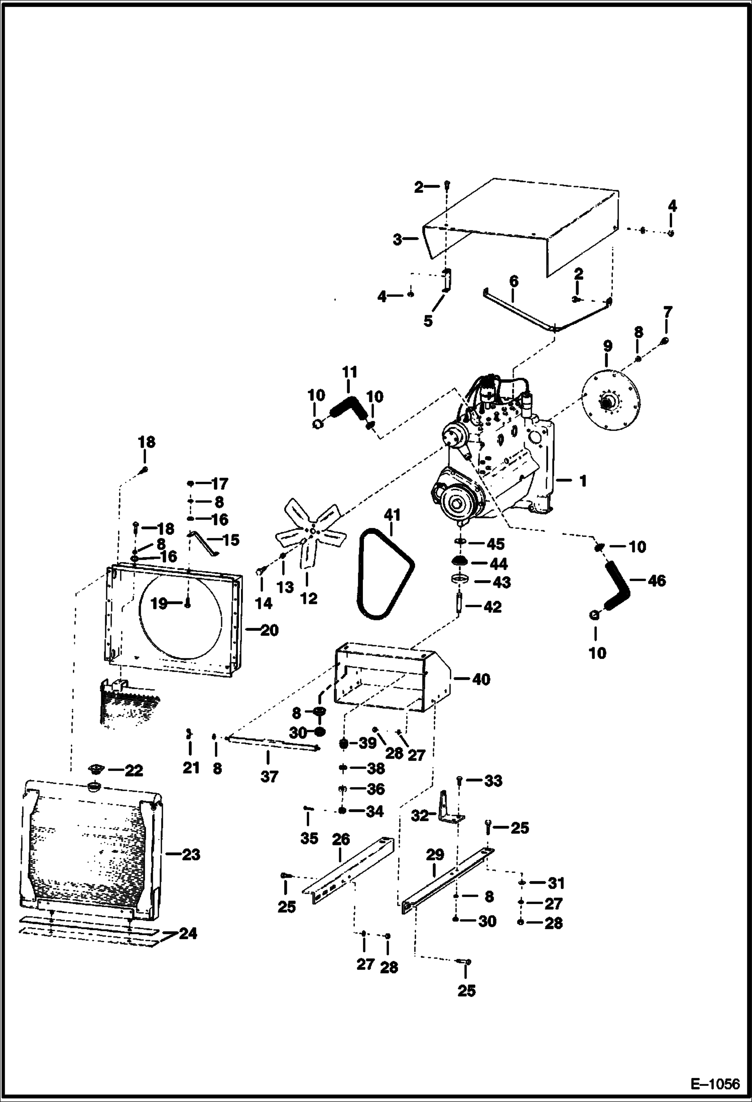
Запчасти Bobcat 900s ENGINE COOLING & MOUNTING PARTS (Gasoline) POWER UNIT

Схема запчастей Bobcat 900s - ENGINE COOLING & MOUNTING PARTS (Gasoline) POWER UNIT
FIT
1:1
100%

Артикул

Название

Примечание

Количество

1

ENGINE NLA - Continental - W/Starter

2

17C616

BOLT 5

3

HOOD NLA - engine - Was 6506289 - A

4

81D6

NUT

5

6506290

BRACKET

6

BRACKET NLA - Was 6506291 - A

7

17C612

BOLT 5

8

4E6

WASHER

9

ADAPTER NLA - drive - Was 6502036 - A

10

42H32

HS CLAMP5

11

6503730

HOSE radiator

12

FAN NLA - Pusher Type - Was 6518815 - A

12

FAN NLA - Puller Type - Was 538575B - A

13

4E5

WASHER

14

17C512

BOLT 5

15

BRACE NLA - radiator - Was 6503781 - A

16

25E17

WASHER 5 Was 103293 - A

17

62D6

NUT 5

18

17C408

BOLT

19

17C608

BOLT

20

6501740

SHROUD fan

21

16D6

NUT

22

6511985

CAP radiator - Was 6515568 - A

23

RADIATOR NLA - Was 6515512 - A

23

PELLET NLA - coolant conditioner - Was 882652B - A

24

STRAP NLA - cushion - Was 6504386 - A

25

17C824

BOLT 5

26

6503732

MOUNT engine - L.H.

27

4E8

WASHER

28

61D8

NUT 5

29

6503733

MOUNT engine - R.H.

30

61D6

NUT 5

31

25E21

WASHER 5

32

6503836

BRACKET

33

17C608

BOLT

34

3D10

NUT castle

35

1F424

PIN

36

SPACER NLA - Was 6504146 - A

37

RETAINER NLA - battery - Was 6501823 - A

38

25E25

WASHER 10

39

INSULATR NLA - engine - rubber - Was 710066 - A

40

6501743

CASE battery

41

FAN BELT NLA - Was 6515578 - A

42

524699

STUDS Was 6518795 - A

43

6518789

CUP retainer

44

MOUNTING NLA - engine - Rubber - Was 524703 - A

45

WASHER NLA - Was 524705B - A

46

HOSE NLA - radiator - Was 6503731 - A

Выбрано товаров: 48