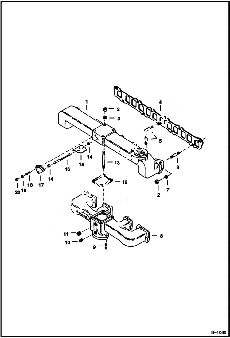
Запчасти Bobcat 900s MANIFOLD (Continental) POWER UNIT

Схема запчастей Bobcat 900s - MANIFOLD (Continental) POWER UNIT
FIT
1:1
100%

Артикул

Название

Примечание

Количество

1

MANIFOLD NLA - exhaust - W/Ref. 14-20 - Was 892185B - A

2

609941

NUT

3

WASHER NLA - Was 860320B - A

4

6518801

GASKET

5

851382

STUD

6

898395

STUD

7

WASHER NLA - 1/4'' (635 mm) thick - Was 774859B - A

7

864106

WASHER 1/8'' (3.18 mm) thick

7

WASHER NLA - 3/16'' (4.76 mm) thick - Was 604637B - A

8

952907

MANIFOLD intake

9

884345

STUD

10

1300521

PLUG

11

16F6

PLUG

12

952903

GASKET

13

881919

STUD

14

BUSHING NLA - Was 851176B - A

15

VALVE NLA - heat - Was 851174B - A

16

SHAFT NLA - Was 876644B - A

17

SECTOR NLA - Was 876643B - A

18

STUD NLA - Was 853089B - A

19

25E13

WASHER 5 Was 664421 - A

20

61D4

NUT 5

Выбрано товаров: 0