Качественные детали и логистика
Оригинальные и аналоговые запчасти с доставкой по России, Казахстану и Беларуси
©2022 PartSell ООО "Система" ИНН 2463123282 ОГРН 1212400004838
Центральный офис: г. Красноярск, Академика Киренского, д.87, пом.4
Телефон: 8 (800) 777-65-74 Email: zakaz@partsell.ru
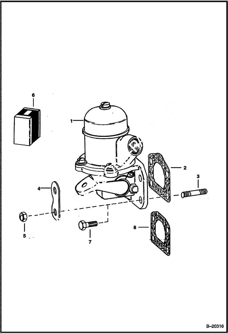
FUEL PUMP
№
Артикул
Название
Примечание
Количество
1
PUMP NLA - Was 6510283 - A
PUMP NLA - Order Refs. 1 & 8 - Was 6630862 - A
6666639
PUMP
2
6668035
GASKET .020''(0.5mm) - Was 6510282 - A
3
3726840
STUD
4
6510284
PLATE
5
3490194
NUT
6
997709
KIT
3739248
PUMP KIT
7
6649455
BOLT
8
6666638
GASKET Use W/6666639 - .031''(0.8mm)
Выбрано товаров: 0