Запчасти Bobcat 900s CAB ENCLOSURE (S/N 12880 & Below) ACCESSORIES & OPTIONS

Схема запчастей Bobcat 900s - CAB ENCLOSURE (S/N 12880 & Below) ACCESSORIES & OPTIONS
FIT
1:1
100%

Артикул

Название

Примечание

Количество

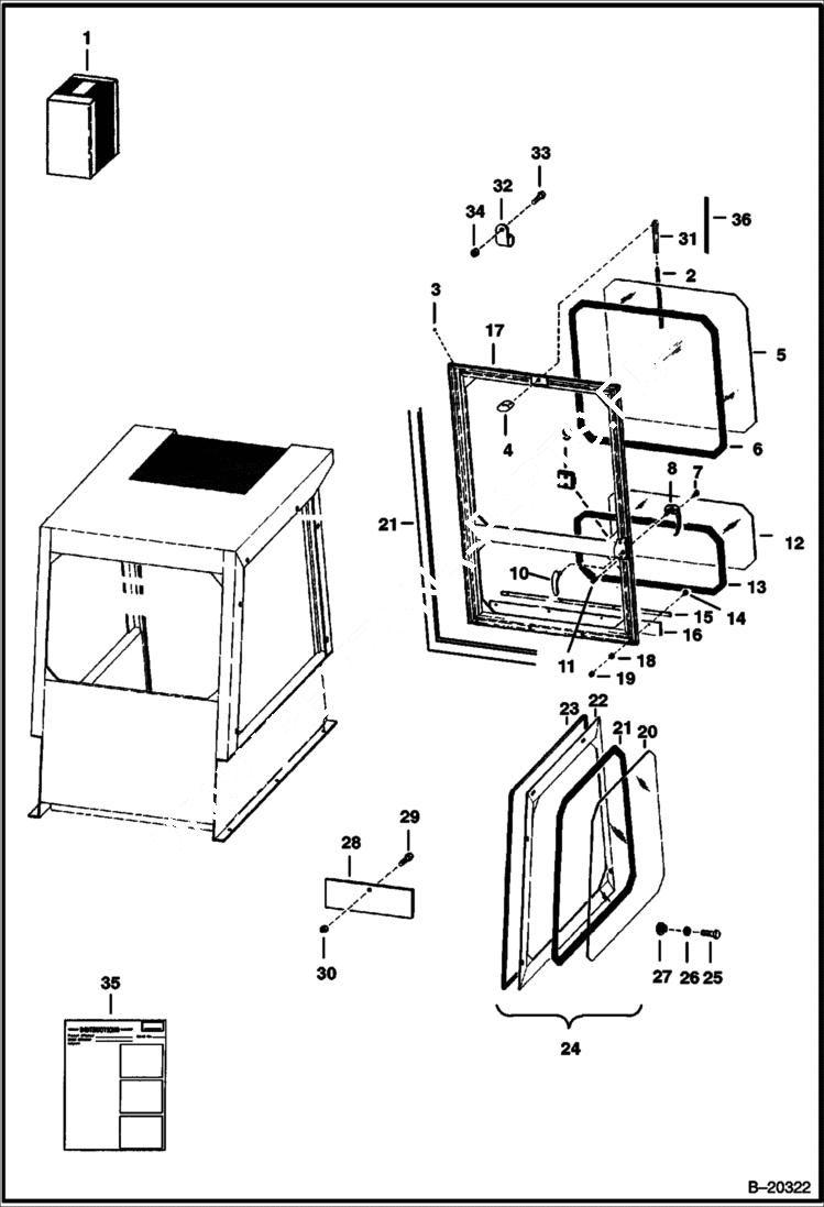
1

KIT NLA - cab enclosure - Order Ref. 2-35

2

1550697

BLADE

3

6505080

GROMMET

4

MOTOR NLA - wiper - Order 6661220 & 6661221 - Was 6653394 - A

4

MOTOR NLA - Was 6661220 - A

5

WINDOW NLA - door - Top

6

SEAL NLA - locking

7

75G1008

SCREW

8

1550695

HANDLE keyed

9

6598475

DOOR LATCH

10

6515600

HANDLE inside

11

SCREW NLA - Was 59G1208 - A

12

WINDOW NLA - door - Bottom

13

SEAL NLA

14

17C416

BOLT

15

6504111

STRIP

16

6548578

DOOR SEAL

17

6501694

DOOR FRAME

18

4E4

WASHER

19

61D4

NUT 5

20

SIDE WINDOW NLA

21

7030243

SEAL, FOAM 1206 mm (47.5'') long - Order as needed - Was 6584202 - A

22

6508219

FRAME window - R.H.

22

FRAME NLA - Was 6508218 - A

23

STRIP NLA - weather

24

6508248

WINDOW ASSY. R.H. - W/Ref. 20-22

24

6508249

WINDOW ASSY. L.H. - W/Ref. 20-22

25

17C616

BOLT 5

26

25E17

WASHER 5

27

61D6

NUT 5

28

PLATE NLA

29

17C1020

BOLT 5

30

85D10

NUT, 5

31

1744552

ARM Was 852454B - A

32

30H6

CLIP

33

87G806

SCREW

34

12D8

NUT

35

6549628

INSTRUCTIONS

36

ARM & BLADE NLA - Use W/6661220 Motor - Was 6661221 - A

Выбрано товаров: 39