Запчасти Bobcat 900s CAB ENCLOSURE (S/N 12881 & Above) ACCESSORIES & OPTIONS

Схема запчастей Bobcat 900s - CAB ENCLOSURE (S/N 12881 & Above) ACCESSORIES & OPTIONS
FIT
1:1
100%

Артикул

Название

Примечание

Количество

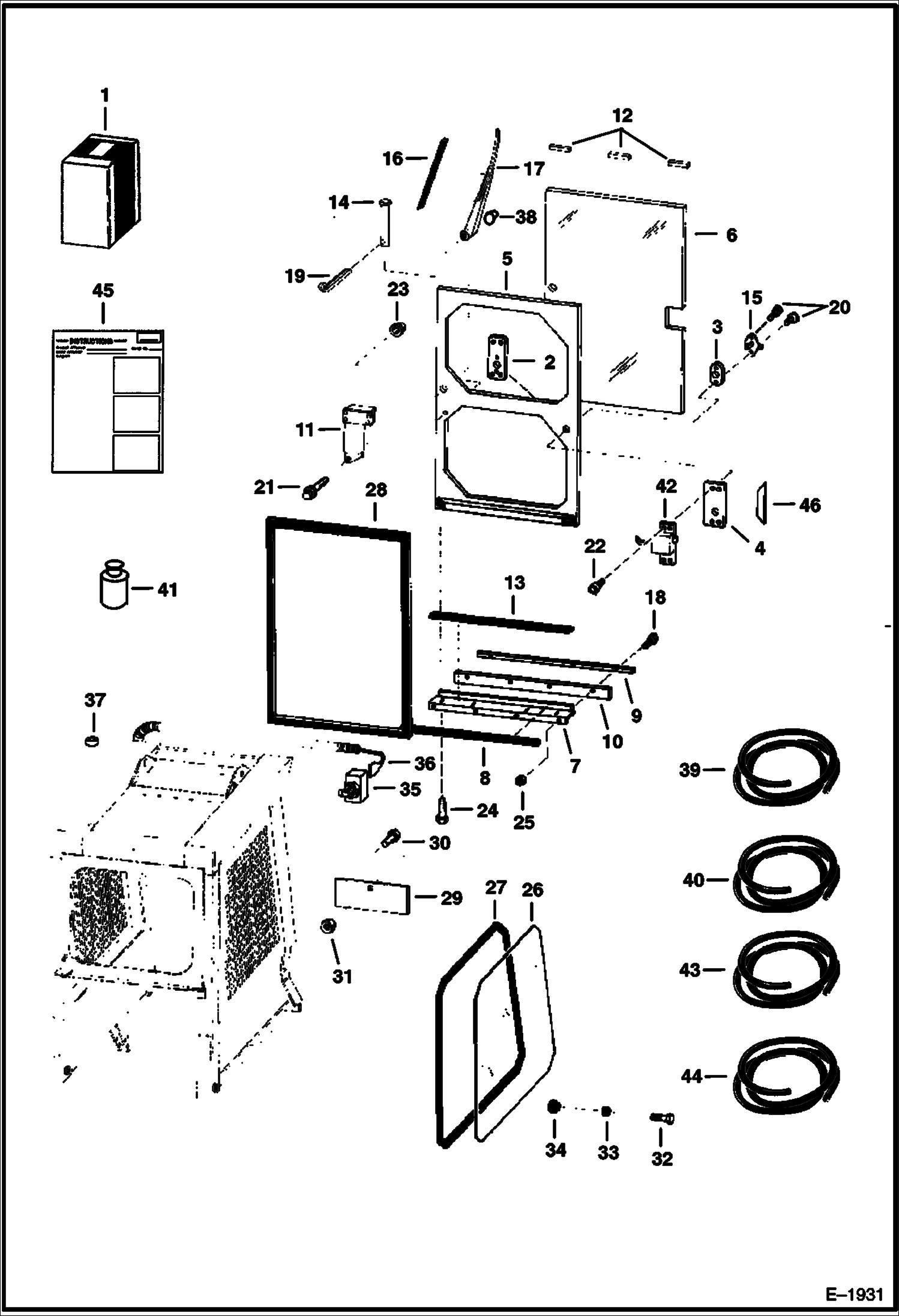
1

6532284

KIT Was SALES - A

2

6529759

PLATE LATCH

3

6529763

COVER PLATE

4

6530960

SPACER PLATE

5

6532281

DOOR

6

6529761

WINDOW Was 6532286 - A

7

6532769

PLATE

8

SEAL NLA - foam - 27'' (685,8 mm) long - Order Ref. 43

9

6532771

SPACER

10

6532772

SEAL

11

6561971

MOTOR

12

SEAL NLA - foam - 5'' (127,0 mm) long - Order Ref. 40

13

SEAL NLA - foam - 27'' (685,8 mm) long - Order Ref. 40

14

6592594

HINGE PIN

15

6599649

HANDLE

16

6630943

BLADE

17

6631008

ARM

18

17C412

BOLT 5

19

1F208

PIN

20

35C412

BOLT Was 35G-412 - D

21

35C520

BOLT

22

73G412

SCREW

23

83D5

NUT 5

24

84G3112

BOLT 5

25

85D4

NUT 5

26

6592486

SIDE WINDOW

27

SEAL NLA - foam - Order Ref. 39

28

SEAL NLA - foam - Order Ref. 44

29

6548420

PLATE enclosure

30

17C1020

BOLT 5

31

85D10

NUT, 5

32

84G3116

SCREW

33

6599613

GROMMET

34

6599614

KNOB

35

6515521

SWITCH

36

6532288

WIPER HARNESS

37

6640704

CLAMP

38

NUT NSS- W/Ref. 17

39

7030243

SEAL, FOAM 1206 mm (47.5'') long - Order as needed - Was 6584202 - A

40

6511855

SEAL self adhesive - bulk - sold per foot

41

6649320

SEALANT

42

6513680

LATCH ASSY.

43

6648416

SEAL BULK /FT bulk

44

SEAL NLA - bulk - Sold Per foot - Was 6620646 - A

45

6720881

INSTRUCTIONS Was 6570810 - A

46

6537202

STRIKER PLATE weld on

Выбрано товаров: 46