Качественные детали и логистика
Оригинальные и аналоговые запчасти с доставкой по России, Казахстану и Беларуси
©2022 PartSell ООО "Система" ИНН 2463123282 ОГРН 1212400004838
Центральный офис: г. Красноярск, Академика Киренского, д.87, пом.4
Телефон: 8 (800) 777-65-74 Email: zakaz@partsell.ru
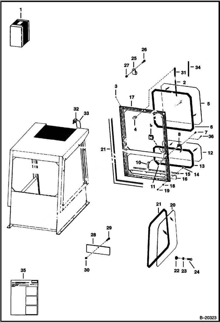
CAB ENCLOSURE (S/N 12881 Thru )
№
Артикул
Название
Примечание
Количество
1
KIT SALES - cab enclosure - Ref. 2-35
2
1550697
BLADE
3
6505080
GROMMET
4
MOTOR NLA - wiper - Order 6661220 & 6661221 - Was 6653394 - A
MOTOR NLA - Was 6661220 - A
5
WINDOW NSS - door top
6
SEAL NSS - locking
7
75G1008
SCREW
8
1550695
HANDLE keyed
9
6598475
DOOR LATCH
10
6515600
HANDLE inside
11
SCREW NLA - Was 59G1208 - A
12
WINDOW NSS
13
14
17C416
BOLT
15
6504111
STRIP
16
6548578
DOOR SEAL
17
6501694
DOOR FRAME
18
4E4
WASHER
19
61D4
NUT 5
20
6592486
SIDE WINDOW
21
7030243
SEAL, FOAM 1206 mm (47.5'') long - Order as needed - Was 6584202 - A
22
6599614
KNOB
23
6599613
24
84G3116
25
30H6
CLIP wire
26
87G806
27
12D8
NUT
28
PLATE NLA
29
17C1020
BOLT 5
30
85D10
NUT, 5
31
1744552
ARM
32
6515521
SWITCH
33
WIRE NLA
34
ARM & BLADE NLA - Use W/6661220 Motor - Was 6661221 - A
35
6549628
INSTRUCTIONS
36
6665409
KEY
Выбрано товаров: 0