Запчасти Bobcat 900s DRIVE TRAIN DRIVE TRAIN

Схема запчастей Bobcat 900s - DRIVE TRAIN DRIVE TRAIN
FIT
1:1
100%

Артикул

Название

Примечание

Количество

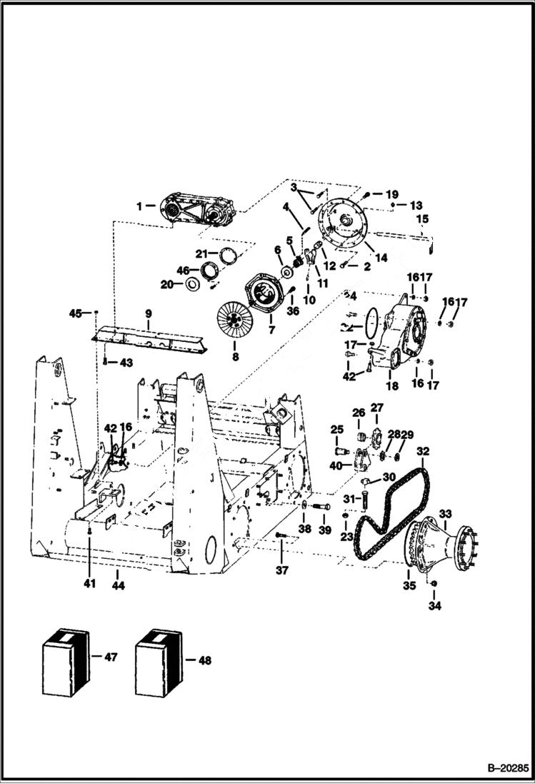
1

CASE See Illustration TRANSFER CASE/ B20287 NLA - TRANSFER - WAS 6505121 - A

2

17C864

BOLT

3

17C856

BOLT

4

957623

SPRING

5

6507604

HUB

6

6513687

BEARING

7

PLATE NSS - pressure - Order Ref. 47

8

PLATE NLA - clutch - Was 6593173 - A

9

6505119

SUPPORT transfer case

10

675351

ROLL PIN

11

FORK NLA - Was 6591436 - A

12

6505229

SLIDE

13

38H15

FITTING

14

HOUSING NLA - clutch-Order 6593575 & 6591403

14

6593575

HOUSING clutch

15

6505120

ARM clutch activating

16

27E12

WASHER flat

16

6552160

WASHER bevel

17

55D12

NUT Was 57D000012B - B

18

GEARCASE See Illustration REDUCTION GEARCASE/ D1440 See Illustration REDUCTION GEARCASE/ D1164

19

18C616

BOLT 5

20

6513499

SEAL

21

6503964

GASKET

22

25K80816

O RING 10

23

62D16

NUT

24

6552153

BOLT

25

6544565

SHAFT

26

6519877

BEARING

27

6544566

SPROCKET

28

26H8

LOCKWASHR

29

24H8

NUT

30

6591870

BLOCK swivel

31

6591300

BOLT

32

6590947

CHAIN super

32

6591015

LINK super

33

AXLE ASSY See Illustration AXLE/ C1749 See Illustration AXLE & HUB ASSEMBLY/ B20286

34

6529776

NUT wheel - Was 6503766 - A

35

6558518

O-RING

36

6593093

BOLT

37

6592304

BOLT wheel

38

6632566

WASHER sealing - Was 6518221 - A

39

6590827

BOLT

39

6591393

PIN

40

6544580

BRACKET idler - L.H.

40

6591397

BRACKET idler - L.H.

40

6544581

BRACKET idler - R.H.

40

6591398

BRACKET idler - R.H.

41

31C824

BOLT 10

42

17C1244

BOLT

43

31C816

BOLT Was 31C000814B - A

44

MAIN FRAME NLA - Was 6593683 - A

45

83D8

NUT 5

46

6591403

ADAPTER

47

6568499

KIT pressure plate - Ref. 7 & 36

48

KIT NLA - Idler Pin - To change bolt to pin - Was 6591422 - A

Выбрано товаров: 55