Запчасти Bobcat 900s LIFT ARM HYDRAULICS HYDRAULIC SYSTEM

Схема запчастей Bobcat 900s - LIFT ARM HYDRAULICS HYDRAULIC SYSTEM
FIT
1:1
100%

Артикул

Название

Примечание

Количество

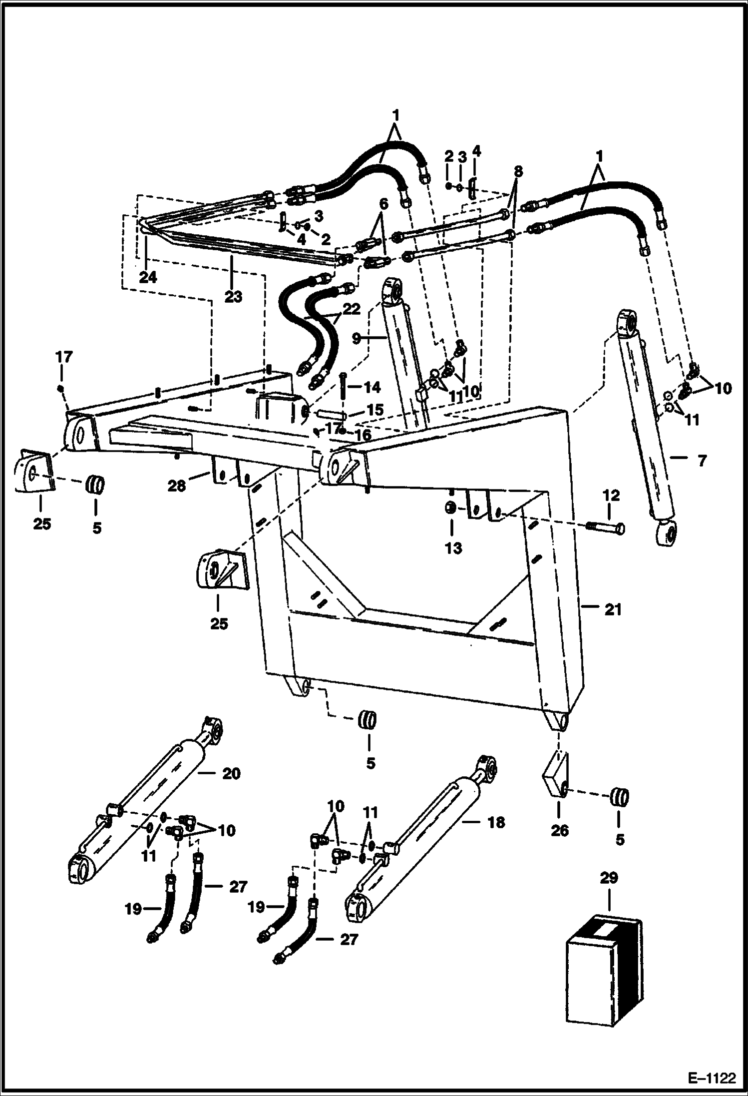
1

6501722

HOSE

2

61D6

NUT 5

3

4E6

WASHER

4

6590451

CLAMP tube - Front

4

31H42

CLIP tube - Rear

5

6546879

BUSHING

6

10K8

TEE

7

6547298

CYLINDER See Illustration TILT CYLINDER/ B20288 TILT - R.H.

8

6501817

TUBE hydraulic

9

6547299

CYLINDER See Illustration TILT CYLINDER/ B20288 TILT - L.H.

10

17K8

FITTING W/Ref. 11

11

79K12

O RING 10

12

6504394

BOLT

13

NUT NLA - Was 6503724 - A

14

17C656

BOLT

15

6547662

PIN

16

81D6

NUT

17

10H25

FITTING, GREASE 5

18

6544551

CYLINDER See Illustration LIFT CYLINDER/ C1247 - lift - RH

19

6592459

HOSE hydraulic

20

6544525

CYLINDER See Illustration LIFT CYLINDER/ C1247 - lift - LH

21

LIFT ARMS NSS - Order Ref. 29

22

6591296

HOSE

22

6501726

HOSE

23

6508039

TUBE

24

6508040

TUBE

25

6546720

BLOCK R.H. - Weld-on - W/Ref. 5

25

6546724

BLOCK pivot, L.H. - Weld-on - W/Ref. 5

26

BLOCK pivot - weld-on - W/Ref. 5 - Was 6590552 - A

27

6592460

HOSE

28

6507888

MOUNT

29

6592927

KIT lift arm - Ref. 21 & Decals - Prime Painted Only

Выбрано товаров: 32