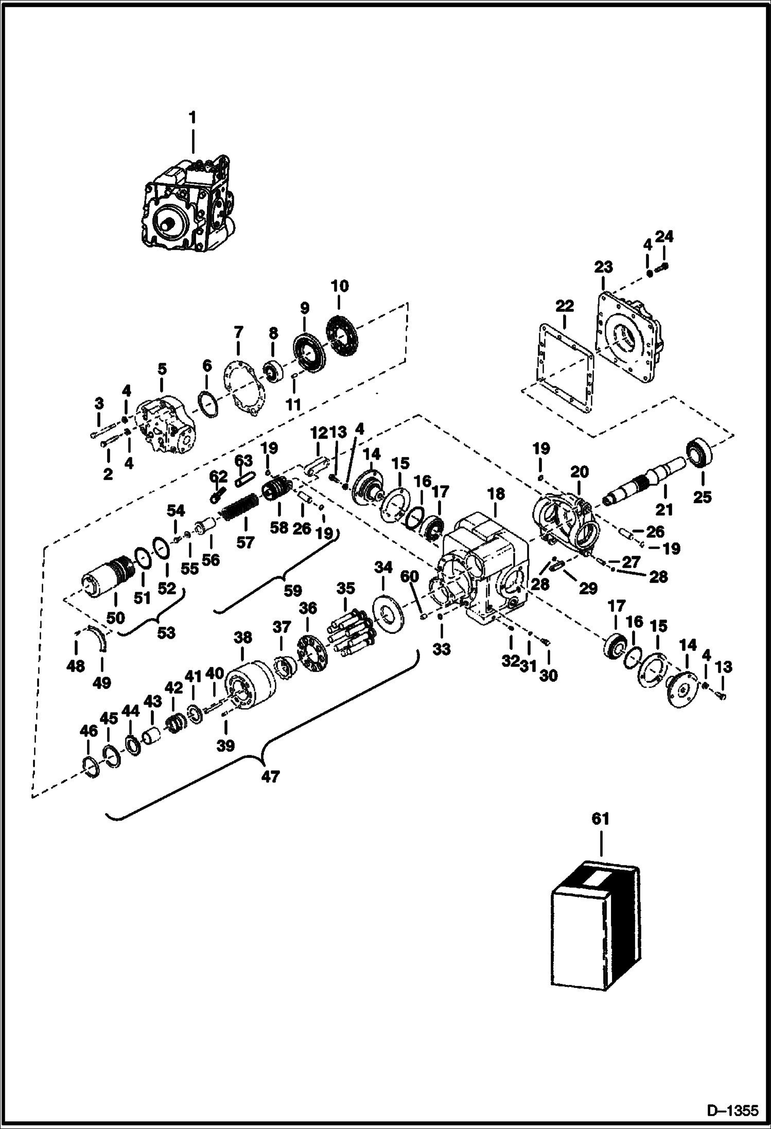
Запчасти Bobcat 900s HYDROSTATIC PUMP (Model 22-2073) HYDROSTATIC SYSTEM

Схема запчастей Bobcat 900s - HYDROSTATIC PUMP (Model 22-2073) HYDROSTATIC SYSTEM
FIT
1:1
100%

Артикул

Название

Примечание

Количество

1

PUMP NLA - New - W/Charge Pump - Order 6655830 - Was 6515477 - A

1

6599497REM

PUMP, HYD, W/O GEAR PUMP reman. - W/Charge Pump - Was 6599497 - A

2

17C632

BOLT 5

3

17C648

BOLT 5

4

6518483

WASHER

5

6518484

CAP end

6

6514848

SHIM Was 6518485 - A

7

6518486

GASKET

8

6519756

BEARING

9

6518488

PLATE valve

10

6648233

PLATE bearing - Was 6518489 - A

11

6518423

PIN

12

6648234

LINK Was NSS - D

13

17C612

BOLT 5

14

6518512

PIVOT

15

6648235

SHIM Was 6518513 - A

16

25K40216

O RING 10

17

6519758

BEARING

18

HOUSING NSS

19

6648236

SNAP RING Was 1320112B - A

20

6518593

SWASH PLATE

21

6518504

SHAFT

22

6518506

GASKET

23

6518507

COVER

24

17C620

BOLT

25

6519757

BEARING

26

6648239

PIN Was NSS - D

27

6648238

PIN Was 6518455 - A

28

209994

RING

29

6648241

LINK Was 6518456 - A

30

24K3

PLUG W/Ref. 31

31

79K4

O RING 10

32

6518510

PLUG

33

58K014

O-RING 10

34

6518522

THRUST PLATE

35

PISTON ASSY. NSS

36

RETAINER NSS

37

GUIDE NSS - retainer

38

CYLINDER NSS - block

39

PIN NSS

40

PIN NSS

41

SEAT NSS - spring

42

SPRING NSS

43

GUIDE NSS - spring

44

RETAINER NSS - spring

45

SNAP RING NSS

46

6518490

PILOT

47

6650085

KIT cylinder block - Ref. 10 & 35-46 - Was 962555 - A

48

84G1906

SCREW

49

6518445

RETAINER sleeve

50

SERVO SLEEVE NSS

51

25K30216

O RING 10 Was NSS - D

52

25K30212

O RING 10 Was NSS - D

53

6518525

KIT servo sleeve - Ref. 50-52

54

6648268

BOLT Was NSS - D

55

6648245

WASHER Was NSS - D

56

6518502

GUIDE spring - Was NSS - D

57

6519764

SPRING Was NSS - D

58

PISTON NLA - Servo - Order Ref. 55, 58, 62 & 63- Was NSS - D

58

6662950

PISTON servo

59

KIT NLA - servo piston - Ref. 12, 19, 26, 55-58, 62 & 63 - Was 6519761 - A

60

6518460

PIN

61

6598796

GASKET KIT See Illustration HYDROSTATIC PUMP & ATTACHING PARTS/ B20307 REF. 7, 16, 22, 31, 33, 51-54 & REF. 5, 7, 9, 11, 17 & 19 on previous page

62

6662951

BOLT

63

6662952

SPACER

Выбрано товаров: 65