Запчасти Bobcat 900s ELECTRICAL CIRCUITRY (S/N 13056 & Below) ELECTRICAL SYSTEM

Схема запчастей Bobcat 900s - ELECTRICAL CIRCUITRY (S/N 13056 & Below) ELECTRICAL SYSTEM
FIT
1:1
100%

Артикул

Название

Примечание

Количество

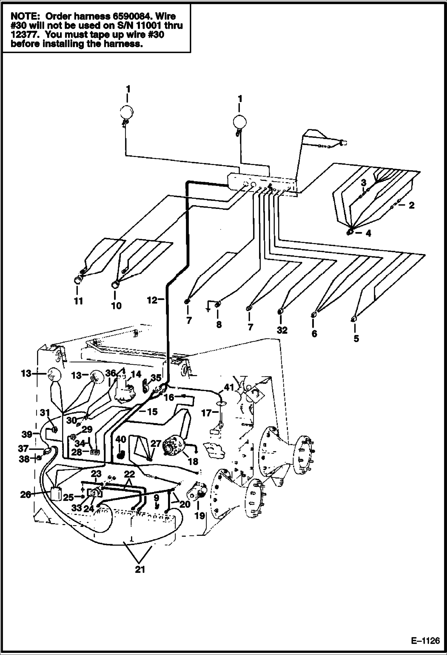
1

HEADLIGHT NLA - Order 6644980 or 6644961 - Was 6517676 - A

1

877752

4411 BULB sealed beam

2

HOLDER NLA - W/40 amp. fuse - Was 733642 - A

2

6518132

FUSE

3

6501785

WIRE ASSY. W/30 Amp. Fuse

4

6518763

SWITCH ignition - W/Key

4

6505412

KEY

4

6662302

NUT

4

6E9

LOCKWASHE

5

6515521

SWITCH toggle - Two Position

6

6515522

SWITCH toggle - Three Position

7

LIGHT NLA - water temp, hydro, oil press & temp - Was 6515525 - A

8

LIGHT NLA - engine oil pressure - Was 6515526 - A

9

2356058

BOOT battery cable

10

6515474

GAUGE ammeter

11

FUEL GAUGE NLA - W/clamp - Order 6669665 gauge & 6679027 clamp - Was 6658820 - A

11

6669665

FUEL GUAGE W/O clamp

12

6591762

HARNESS wiring - Upper

13

6519340

LIGHT

13

LENS NLA - Was 6515219 - A

13

877752

4411 BULB

13

6655055

BULB Was 506475B - A

14

PUMP See Illustration CAB TILT MOTOR & PUMP/ B18214 See Illustration CAB TILT MOTOR & PUMP/ B1103 CAB TILT

15

6590084

HARNESS wiring

15

HARNESS NLA - wiring - See Note - Was 6591365 - A

15

6591435

HARNESS wiring

15

6591764

HARNESS wiring

15

6593005

HARNESS wiring

15

6529463

HARNESS Use W/Bobcat Alt.

16

6513193

SENDER engine temp.

17

6598921

SENDER fuel level sender

18

ALTERNATOR See Illustration ALTERNATOR/ B20308 See Illustration ALTERNATOR/ B18332

19

STARTER See Illustration STARTER/ B1388

20

6590538

CABLE battery

20

6591761

CABLE battery

21

6674687

BATTERY, DRY 600 AMP Was 6669318 - A

21

6630152

CAP

22

6553094

CABLE ground

23

6514523

CABLE ground

24

754019

SWITCH ground

25

81D6

NUT

26

908239

VOLT REG voltage - Use Old Mounting Bracket - Was 1810770B - A

27

6515472

SWITCH engine oil pressure

28

6664886

HOURMETER Was 6631657 - A

29

6598384

SWITCH hydrostatic oil temp.

30

6515523

SWITCH toggle

30

6591756

SWITCH

30

6515510

COVER toggle switch

31

6631695

SWITCH hydrostatic oil pressure - Was 6519715 - A

32

6632973

SWITCH pre-heat - Was 600259B - A

33

6590789

PLATE

34

6548857

WIRE

35

CLAMP NLA - Was 31H000006B - A

36

6591749

HARNESS

37

6683378

BREAKER circuit - Was 6591755 - A

38

6591757

SEAL

39

6591754

WIRE

40

30H42

CLAMP

41

6594344

HARNESS fuel

Выбрано товаров: 59