Запчасти Bobcat 900s ELECTRICAL CIRCUITRY (S/N 13057 thru 13130) ELECTRICAL SYSTEM

Схема запчастей Bobcat 900s - ELECTRICAL CIRCUITRY (S/N 13057 thru 13130) ELECTRICAL SYSTEM
FIT
1:1
100%

Артикул

Название

Примечание

Количество

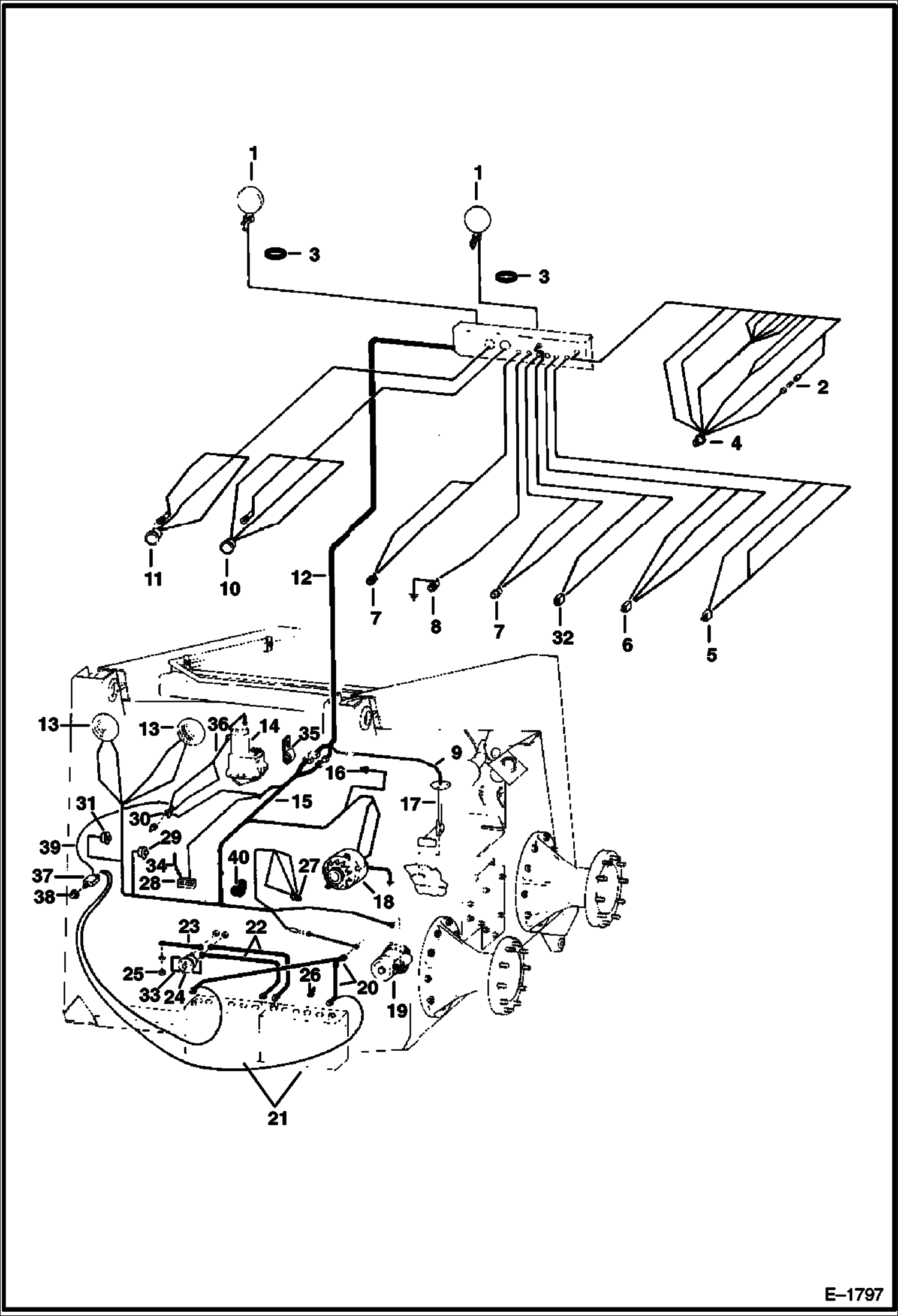
1

HEADLIGHT NLA - Order 6644980 or 6644961 - Was 6517676 - A

1

877752

4411 BULB sealed beam

2

HOLDER NLA - W/40 amp. fuse - Was 733642 - A

2

6518132

FUSE

3

6557493

GROMMET

4

6518763

SWITCH ignition - W/Key

4

6505412

KEY

4

6662302

NUT

4

6E9

LOCKWASHE

5

6515521

SWITCH toggle - Two Position

6

6515522

SWITCH toggle - Three Position

7

LIGHT NLA - water temp, hydro, oil press & temp - Was 6515525 - A

8

LIGHT NLA - engine oil pressure - Was 6515526 - A

9

6594344

HARNESS fuel

10

VOLTMETER NLA - W/clamp - Order 6669664 voltmeter & 6679027 clamp - Was 6658819 - A

10

6669664

VOLTMETER W/O clamp

11

FUEL GAUGE NLA - W/clamp - Order 6669665 gauge & 6679027 clamp - Was 6658820 - A

11

6669665

FUEL GUAGE W/O clamp

12

6529471

HARNESS wiring - Upper

13

6519340

LIGHT

13

LENS NLA - Was 6515219 - A

13

877752

4411 BULB

13

6655055

BULB Was 506475B - A

14

PUMP See Illustration CAB TILT MOTOR & PUMP/ B18214 See Illustration CAB TILT MOTOR & PUMP/ B1103 CAB TILT

15

6529463

HARNESS wiring

16

6513193

SENDER engine temp.

17

6598921

SENDER fuel level sender

18

ALTERNATOR See Illustration ALTERNATOR/ B18332

19

STARTER See Illustration STARTER/ B1388

20

6591761

CABLE battery

21

6669318

BATTERY Was 6665917 - A

21

6630152

CAP

22

6553094

CABLE ground

23

6514523

CABLE ground

24

754019

SWITCH ground

25

81D6

NUT

26

2356058

BOOT battery cable

27

6515472

SWITCH engine oil pressure

28

6664886

HOURMETER Was 6631657 - A

29

6598384

SWITCH hydrostatic oil temp.

30

6591756

SWITCH

30

6515510

COVER toggle switch

31

6631695

SWITCH hydrostatic oil pressure - Was 6519715 - A

32

6632973

SWITCH pre-heat - Was 600259B - A

33

6590789

PLATE

34

6548857

WIRE

35

CLAMP NLA - Was 31H000006B - A

36

6591749

HARNESS

37

6683378

BREAKER circuit - Was 6591755 - A

38

6591757

SEAL

39

6591754

WIRE

40

30H42

CLAMP

Выбрано товаров: 52