Запчасти Bobcat 900s ENGINE COOLING & MOUNTING PARTS POWER UNIT

Схема запчастей Bobcat 900s - ENGINE COOLING & MOUNTING PARTS POWER UNIT
FIT
1:1
100%

Артикул

Название

Примечание

Количество

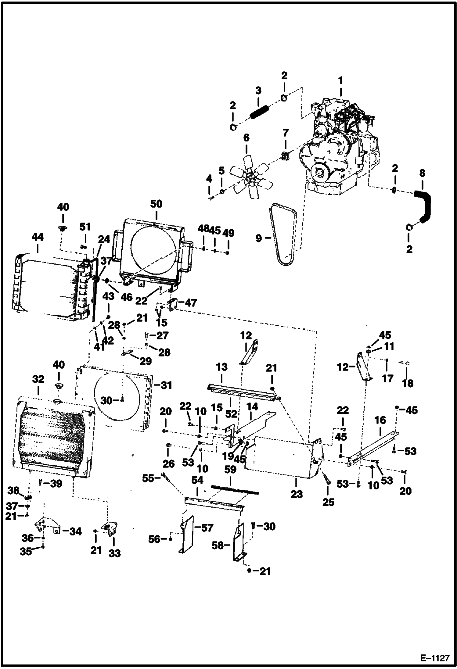
1

ENGINE See Illustration PERKINS DIESEL ENGINE/ B18337

2

42H32

HS CLAMP5

3

6547175

HOSE

3

HOSE NLA - Was 6590061 - A

4

18C518

BOLT

5

4E5

WASHER

6

6519189

FAN Puller

6

6645244

FAN Pusher - Was 1719160B - A

7

3739064

EXTENSION fan

8

HOSE NLA - radiator - Was 6505235 - A

8

6590062

HOSE

9

6516339

BELT

10

83D8

NUT 5 Was 85D000008B - B

11

106762

WASHER

12

6591957

BRACKET

13

6591279

RETAINER battery

14

6590058

BRACKET L.H.

15

83D6

NUT 5

16

6590056

BRACKET R.H.

17

4E7

WASHER

18

BOLT NLA - Order 18C-720 Bolt & 28E-6 Washer - Was 32C-720 - A

19

25E22

WASHER

20

31C824

BOLT 10 Was 17C000824B - B

21

85D6

NUT, 5

22

31C620

BOLT

23

6590033

HOUSING battery

24

6591078

HOSE

25

17C672

BOLT

26

31C832

BOLT Was 17C000832B - B

27

18C628

BOLT

28

25E17

WASHER 5

29

6505230

BRACKET

30

17C616

BOLT 5

31

HOUSING NLA - fan - A

32

RADIATOR NLA - Was 6515512 - A

33

BRACKET NLA - R.H. - Was 6590091 - A

34

BRACKET NLA - L.H. - Was 6590092 - A

35

12D10

NUT

36

WASHER NLA - Was 14E000010B - A

37

6548799

WASHER

38

MOUNT NLA - Was 6505205 - A

39

45G1010

SCREW HEX MACHINE

40

6511985

CAP

41

25E13

WASHER 5

42

4E4

WASHER

43

17C408

BOLT

44

RADIATOR NLA - Was 6512563 - A

45

83D8

NUT 5

46

568276

DAMPNER shock

47

6590048

BRACKET R.H.

47

6590049

BRACKET L.H.

48

619034

WASHER

49

59D6

NUT

50

6551842

HOUSING fan

51

17C624

BOLT 5

52

6591527

STRIP

53

31C828

BOLT

54

6529655

RETAINER

55

17C548

BOLT

56

85D5

NUT 5

57

PLATE NLA - L.H. - Was 6584642 - A

58

6584643

PLATE battery - R.H.

59

6512686

MOULDING bulk - sold per foot - Was 6620417 - A

Выбрано товаров: 63