Запчасти Bobcat 900s CYLINDER BLOCK POWER UNIT

Схема запчастей Bobcat 900s - CYLINDER BLOCK POWER UNIT
FIT
1:1
100%

Артикул

Название

Примечание

Количество

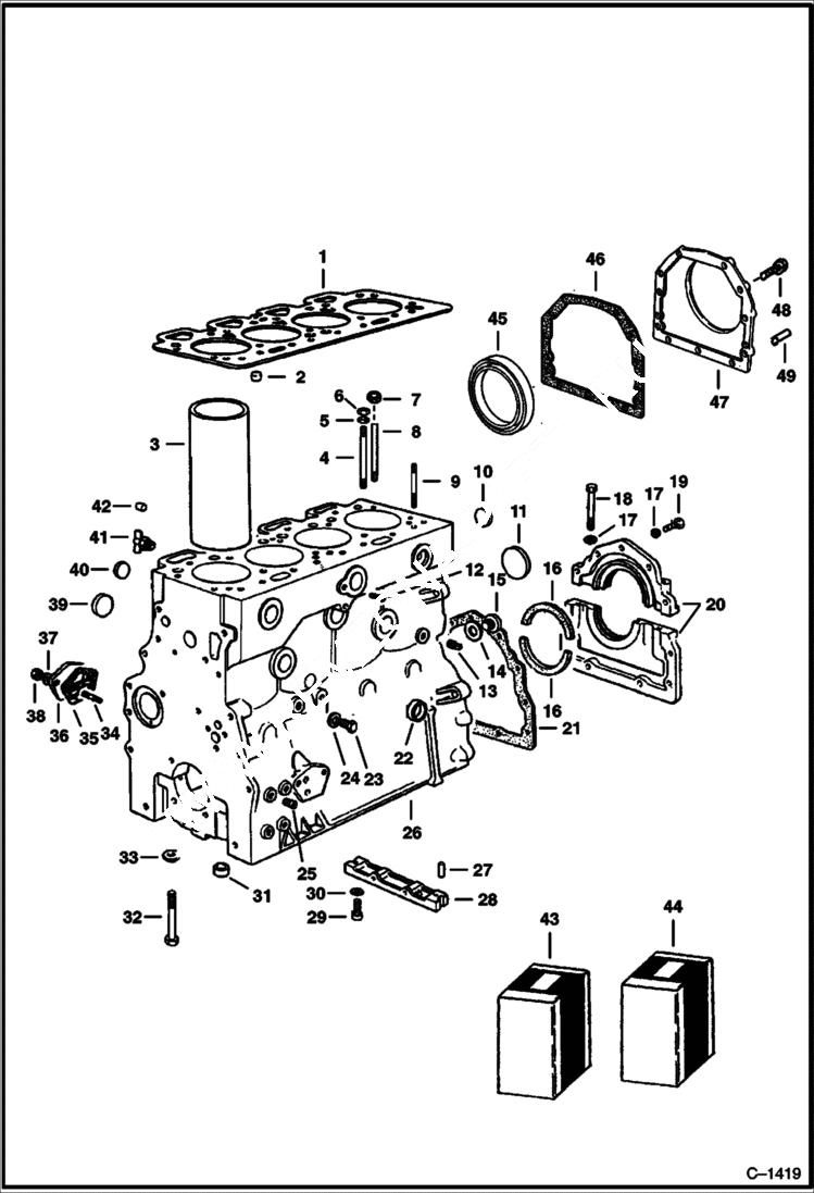
1

6649423

GASKET cylinder head - Was 3575053 - A

2

3739121

PLUG rocker oil feed

3

3725304

LINER cylinder

3

6649422

LINER cylinder

4

3725324

STUD head to block

5

3702421

WASHER

6

6515677

NUT head retaining

7

6599646

NUT head retaining - Was 3725377B - A

8

12G856

SCREW

8

SCREW NLA - Was 3575055 - A

8

3575054

BOLT

8

6649425

BOLT

8

6649426

BOLT

8

6649427

BOLT

9

3725325

STUD

10

3726064

PLUG block-rear face-Was 3725064 - D

11

6668210

PLUG Block - Was 3725310 - A

12

3725315

PLUG block

13

16F4

PLUG pipe

14

3725314

WASHER plug

15

3725313

PLUG rear pressure rail

16

3725337

SEAL oil

17

4E5

WASHER

18

18C540

BOLT

19

18C516

BOLT

20

3725335

HSG W/Ref. 16-18

21

3725338

GSKT

22

6519504

PLUG block - 1.394 - Was 3679284B - A

23

18C610

BOLT

24

3490721

WASHER plug

25

6515678

PLUG bearing face

26

BLOCK See Illustration PERKINS DIESEL ENGINE/ B18337 NLA - ENGINE

27

GASKET NLA - bridge-piece - Was 3725341B - A

28

6667501

BLOCK block - Was 6634206 - A

29

6667502

SCREW Was 3725342B - A

30

3725343

WASHER

31

3725302

SLEEVE main bearing cap

32

6513096

BOLT

33

3725309

WASHER shim

34

6649450

STUD Was 3725328B - A

35

6668022

GASKET Was 3679997B - A

36

3725326

PLATE oil transfer - LH

37

4E7

WASHER

38

3725329

NUT

39

6670881

PLUG Induction Side - 1.513 - Was 3725306 - A

40

6519504

PLUG fuel pump side - Was 3679284B - A

41

3490150

DRAIN petcock

42

3727379

PLUG Induction Side

42

6510552

PLUG Was 907182B - A

43

6668015

GASKET KIT upper - Was 908230 - A

44

6630423

GASKET KIT lower

45

SEAL NLA - Was 3737844 - A

46

6674359

GASKET Was 997692 - A

47

COVER NLA - Was 997691B - A

47

COVER NLA - Was 6649424 - A

47

6667492

COVER Order Ref. 28, 45, 46, 27, & 19

48

6513098

BOLT

49

1305481

PIN

Выбрано товаров: 58