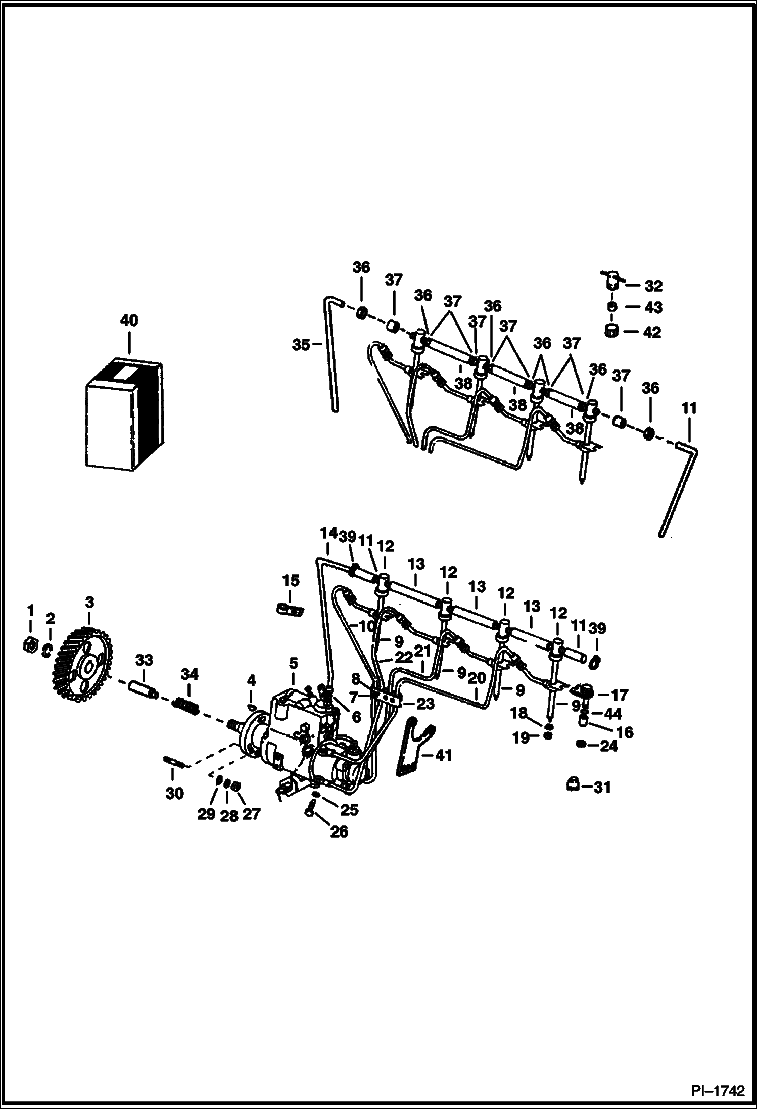
Запчасти Bobcat 900s FUEL INJECTION SYSTEM (Engine S/N 621172-1983 & Below & S/N 129222-1985 & Below) POWER UNIT

Схема запчастей Bobcat 900s - FUEL INJECTION SYSTEM (Engine S/N 621172-1983 & Below & S/N 129222-1985 & Below) POWER UNIT
FIT
1:1
100%

Артикул

Название

Примечание

Количество

1

8D9

NUT

2

4E9

WASHER

3

6511567

GEAR drive

4

6J505

KEY woodruff

5

PUMP See BTI116 NLA - fuel injector

5

6513464

PUMP fuel injector

6

6511703

FITTING

7

6598294

SCREW

8

17E10

WASHER

9

NOZZLE ASSY. NLA - Order 6660937 & 6654211 - Was 6599524 - A

9

6654211

NOZZLE ASSY.

10

6511560

TUBE fuel injection line - #1 - Was 6631062 - A

11

HOSE NLA

12

6511555

CAP ASSY.

13

HOSE NLA - leak-off

14

6511559

TUBE fuel

15

6511696

CLAMP

16

SPACER NSS - With Ref. 44 - Was 6511557 - A

17

6511556

CLAMP W/Bolt & Washer

18

6660937

WASHER nozzle upper - Plastic - Was 6511711 - A

19

6511709

WASHER

20

6511562

TUBE fuel injection - #4 - Was 6631065 - A

21

6631064

TUBE fuel injection - #3

22

LINE NLA - fuel injection - #2 - Was 6631063 - A

23

6598293

CLAMP half threaded

24

6511687

WASHER

25

6511786

WASHER

26

BOLT NLA - special - Was 6511779 - A

27

61D6

NUT 5

28

4E6

WASHER

29

6511685

WASHER

30

STUD NLA - Was 6511707 - A

31

6511558

DUST CAP

32

6641045

TEE

33

6513699

BUTTON

34

6513700

SPRING

35

6598291

TUBE

36

6598288

NUT

37

6598289

SLEEVE

38

6598290

TUBE

39

42HS04

CLAMP, HOSE Was 6515575 - A

40

KIT NLA - gasket - Was 6511568 - A

40

KIT NLA - solenoid shut-off - Was 6599523 - A

40

6659254

SOLENOID

40

6659253

TERMINAL KIT

41

6593429

BRACKET Injector Line Holder

42

6641043

NUT

43

6641044

SLEEVE

44

6660937

WASHER plastic - Use W/6654211 - Was 6654212 - A

Выбрано товаров: 0