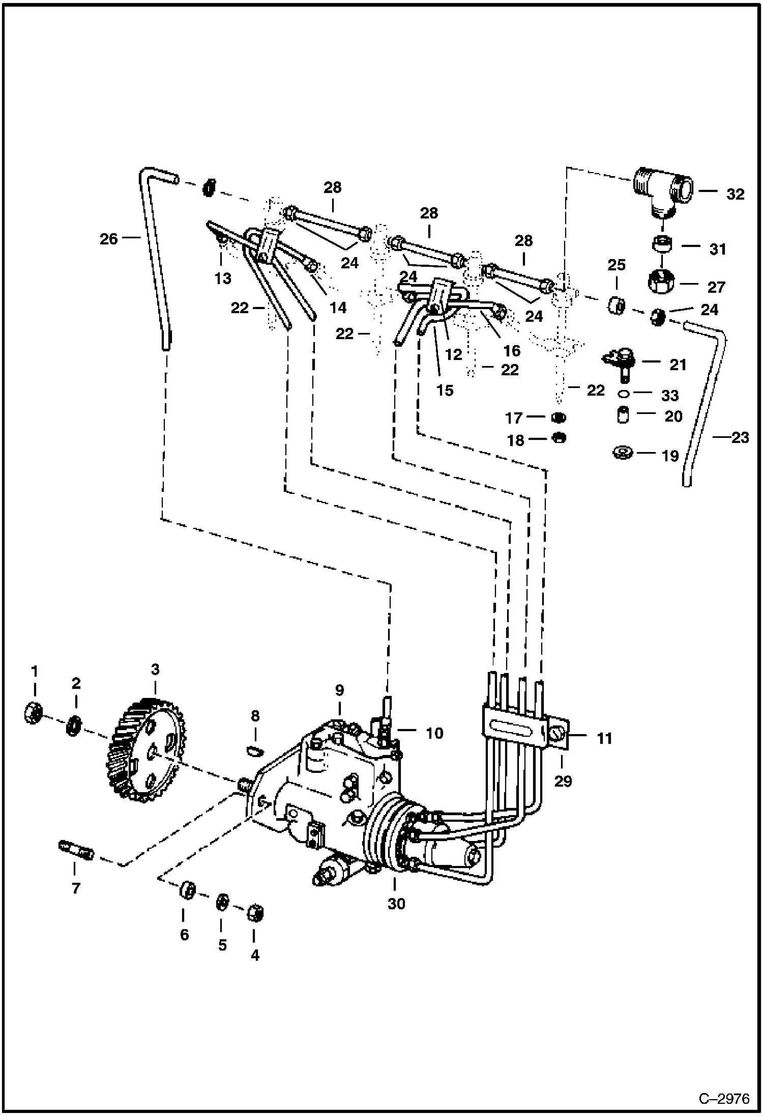
Запчасти Bobcat 900s FUEL INJECTION SYSTEM (Engine S/N 129223 -1985 & Above) POWER UNIT

Схема запчастей Bobcat 900s - FUEL INJECTION SYSTEM (Engine S/N 129223 -1985 & Above) POWER UNIT
FIT
1:1
100%

Артикул

Название

Примечание

Количество

1

8D9

NUT

2

4E9

WASHER Was 2E-9 - A

3

6511567

GEAR

4

61D5

NUT

5

23E5

L WASHER

6

6632952

WASHER

7

6632953

STUD

8

6J505

KEY

9

6632412

PUMP injector

10

6511703

FITTING

11

1CM610

BOLT

12

6632449

CLAMP W/Ref. 11

13

6632410

TUBE #1

14

TUBE NLA - #2 - Was 6632411 - A

15

6632408

TUBE #3

16

6632409

TUBE #4

17

6511709

WASHER

18

6660937

WASHER nozzle - Was 6511711 - A

19

6511687

WASHER

20

6511557

SPACER

21

6511556

CLAMP W/Bolt & Washer

22

NOZZLE ASSY NLA - Order 6660937 & 6654211 - Was 6599524 - A

22

6654211

NOZZLE ASSY. Was 6654212 - D

23

HOSE NLA

24

6598288

NUT

25

6598289

SLEEVE

26

6598291

TUBE

27

6641043

NUT

28

6598290

TUBE

29

6632450

CLAMP W/Ref. 11

30

6632955

FITTING

31

6641044

SLEEVE

32

6641045

TEE fitting

33

6660937

WASHER

Выбрано товаров: 0