Качественные детали и логистика
Оригинальные и аналоговые запчасти с доставкой по России, Казахстану и Беларуси
©2022 PartSell ООО "Система" ИНН 2463123282 ОГРН 1212400004838
Центральный офис: г. Красноярск, Академика Киренского, д.87, пом.4
Телефон: 8 (800) 777-65-74 Email: zakaz@partsell.ru
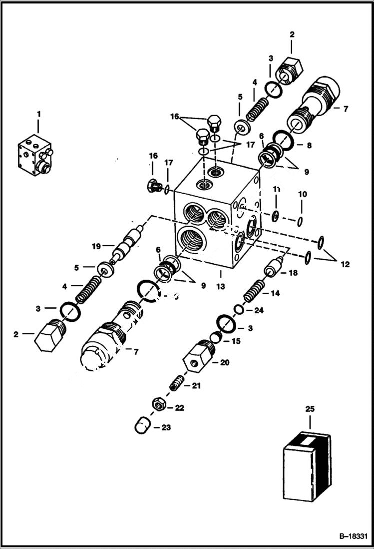
MOTOR MANIFOLD VALVE (Motor Model 23-4501AA-JFBJ)
№
Артикул
Название
Примечание
Количество
1
6648275
VALVE
2
6648276
PLUG
3
79K10
O RING 10
4
6518650
SPRING
5
6518727
WASHER
6
O-RING NSS
7
6518416
RELIEF VALVE W/Ref. 6, 8 & 9
8
9
WASHER NSS - back-up
10
6648277
O-RING
11
6648284
ORIFICE
12
6648278
13
6648279
HOUSING
14
6648280
15
6648253
PLUNGER
16
6645085
PLUG W/Ref. 17
17
79K6
O RING 10 Was 6648281 - A
18
961441
CHARGE charge
19
SHUTTLE NSS
20
6648283
21
6648255
SCREW
22
6648256
NUT
23
6648257
COVER
24
6645079
25
6518500
SEAL KIT ref. 10 & 12
6518664
SEAL KIT ref. 6, 8 & 9
Выбрано товаров: 0