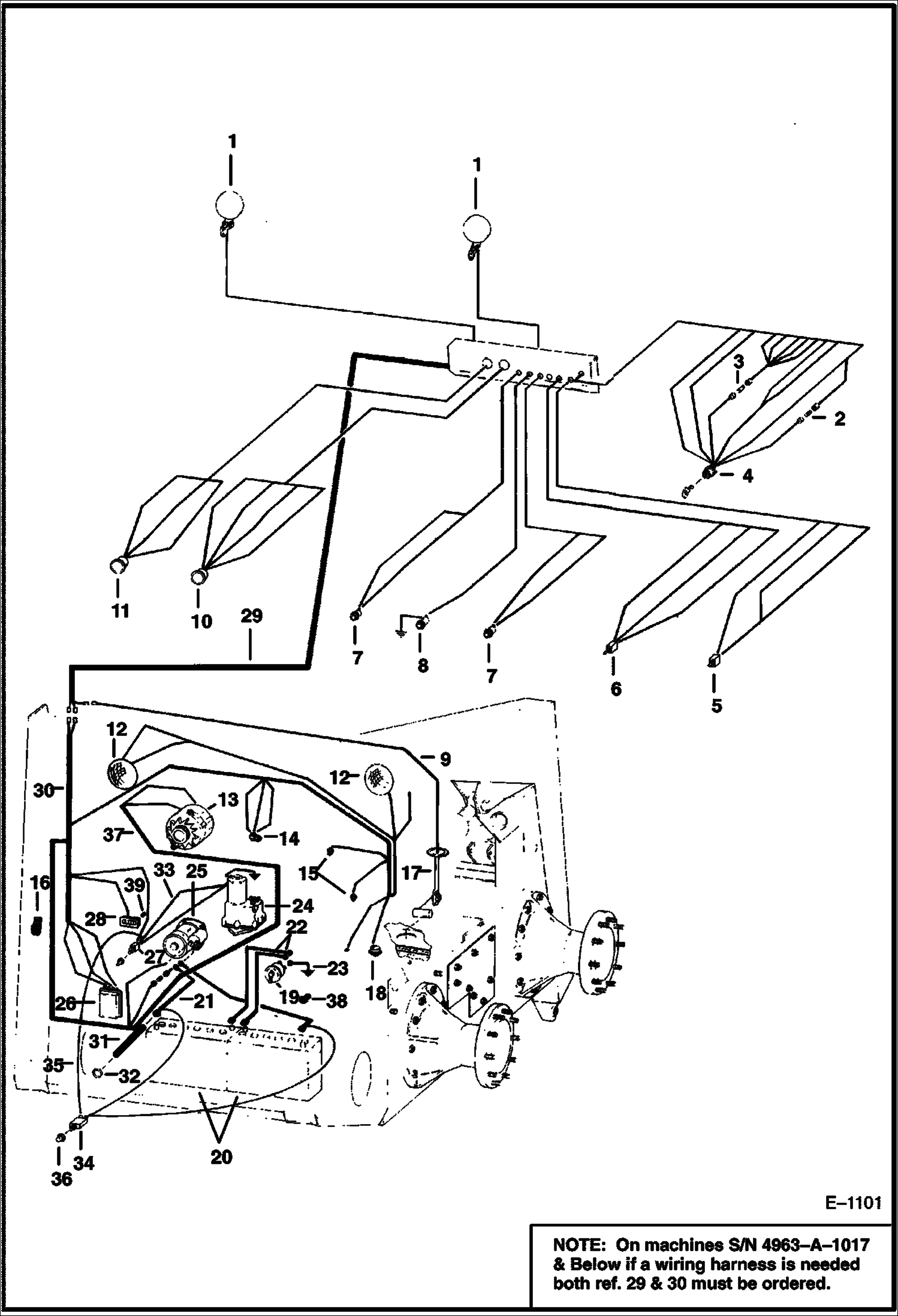
Запчасти Bobcat 900s CAB & ENGINE ELECTRICAL CIRCUITRY (S/N 12802 & Below) ELECTRICAL SYSTEM

Схема запчастей Bobcat 900s - CAB & ENGINE ELECTRICAL CIRCUITRY (S/N 12802 & Below) ELECTRICAL SYSTEM
FIT
1:1
100%

Артикул

Название

Примечание

Количество

1

6517676

FRONT LIGHT 12 Volt

1

877752

4411 BULB

2

HOLDER NLA - W/40 amp. fuse - Was 733642 - A

2

6518132

FUSE 40 Amp.

3

6501785

WIRE ASSY. W/Fuse Holder & 30 Amp. Fuse

4

6518763

SWITCH W/Key

4

6505412

KEY

4

6662302

NUT

4

6E9

LOCKWASHE

5

6515521

SWITCH toggle - Two Position

6

6515522

SWITCH toggle - Three Position

7

LIGHT NLA - water temp, hydro, oil press & temp - Was 6515525 - A

8

LIGHT NLA - engine oil pressure - Was 6515526 - A

9

6594344

HARNESS fuel

10

6515474

GAUGE ammeter

11

FUEL GAUGE NLA - W/clamp - Order 6669665 gauge & 6679027 clamp - Was 6658820 - A

11

6669665

FUEL GUAGE W/O clamp

12

6519340

LIGHT

12

LENS NLA - Was 6515219 - A

12

877752

4411 BULB

12

6655055

BULB Was 506475B - A

13

ALTERNATOR See Illustration ALTERNATOR/ B20339

14

6515472

SWITCH eng. oil pressure

15

6598384

SWITCH hydro. oil temp. & eng. water temp.

16

30H42

CLAMP

17

6598921

SENDER See Illustration FUEL TANK/ B20328

18

6631695

SWITCH hydrostatic oil pressure - Was 6519715 - A

19

754019

SWITCH ground

19

6590789

PLATE

20

6674687

BATTERY, DRY 600 AMP Was 6669318 - A

20

6630152

CAP

21

6590538

CABLE battery - Positive

21

6591761

CABLE

22

6553094

CABLE ground

23

6514523

CABLE ground

24

PUMP See Illustration CAB TILT MOTOR & PUMP/ B1103 See Illustration CAB TILT MOTOR & PUMP/ C3060 See Illustration CAB TILT MOTOR & PUMP/ B18214

25

STARTER See Illustration STARTER/ B20340 See Illustration STARTER/ B20342 See Illustration STARTER/ B20341

26

908239

VOLT REG voltage - use old mounting bracket - Was 1810770B - A

27

6515523

SWITCH toggle

27

6591756

SWITCH

27

6515510

COVER

28

6664886

HOURMETER Was 6631657 - A

29

6591762

HARNESS wiring

30

6548802

HARNESS wiring

30

6591364

HARNESS wiring

30

6591434

HARNESS wiring

30

6591763

HARNESS wiring

30

6591758

HARNESS wiring

31

6590935

HOSE

32

30H60

CLIP

33

6591749

HARNESS

34

6683378

BREAKER circuit - Was 6591755

35

6591754

WIRE

36

6591757

SEAL

37

3675725

DIODE

38

2356058

BOOT battery cable

39

1620328

POP RIVET

Выбрано товаров: 0