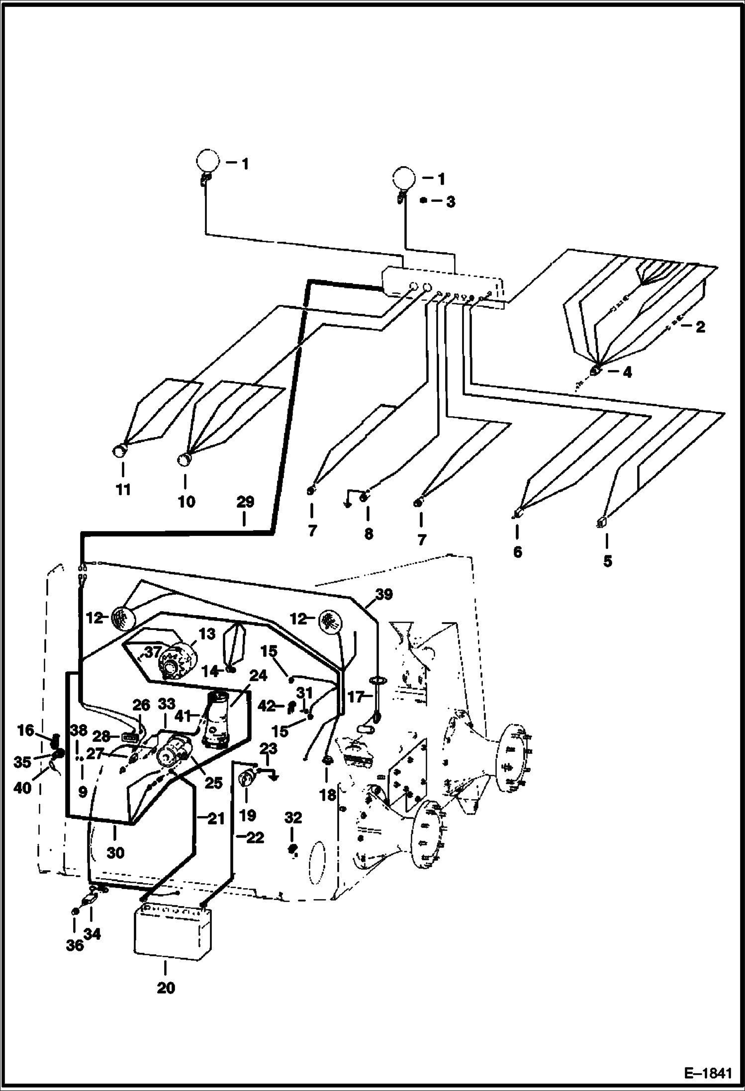
Запчасти Bobcat 900s CAB & ENGINE ELECTRICAL CIRCUITRY (S/N 12836 & Above) ELECTRICAL SYSTEM

Схема запчастей Bobcat 900s - CAB & ENGINE ELECTRICAL CIRCUITRY (S/N 12836 & Above) ELECTRICAL SYSTEM
FIT
1:1
100%

Артикул

Название

Примечание

Количество

1

6517676

FRONT LIGHT 12 Volt

1

877752

4411 BULB

2

HOLDER NLA - W/40 amp. fuse - Was 733642 - A

2

6518132

FUSE 40 Amp.

3

6557493

GROMMET

4

6518763

SWITCH W/Key

4

6505412

KEY

4

6662302

NUT

4

6E9

LOCKWASHE

5

6515521

SWITCH toggle - Two Position

6

6515522

SWITCH toggle - Three Position

7

LIGHT NLA - water temp, hydro, oil press & temp - Was 6515525 - A

8

LIGHT NLA - engine oil pressure - Was 6515526 - A

9

61D4

NUT 5

10

VOLTMETER NLA - W/clamp - Order 6669664 voltmeter & 6679027 clamp - Was 6658819 - A

10

6669664

VOLTMETER W/O clamp

11

FUEL GAUGE NLA - W/clamp - Order 6669665 gauge & 6679027 clamp - Was 6658820 - A

11

6669665

FUEL GUAGE W/O clamp

12

6519340

LIGHT

12

LENS NLA - Was 6515219 - A

12

877752

4411 BULB

12

6655055

BULB Was 506475B - A

13

6632211

ALTERNATOR See Illustration ALTERNATOR/ B20311

14

6515472

SWITCH eng. oil pressure

15

6598384

SWITCH hydro. temp. & eng. water temp.

16

31H38

CLAMP Was 31H000046B - B,D

17

6598921

SENDER See Illustration FUEL TANK/ B20328

18

6631695

SWITCH hydrostatic oil pressure - Was 6519715 - A

19

754019

SWITCH ground

19

6590789

PLATE

20

6665427

BATTERY, DRY 950 AMP Was 6641343 - A

21

6584641

CABLE positive

22

6529654

CABLE negative

23

6514523

CABLE ground

24

PUMP See Illustration CAB TILT MOTOR & PUMP/ B1103 See Illustration CAB TILT MOTOR & PUMP/ C3060 See Illustration CAB TILT MOTOR & PUMP/ B18214

25

STARTER See Illustration STARTER/ B20340 See Illustration STARTER/ B20342 See Illustration STARTER/ B20341

26

1620328

POP RIVET

27

6599331

SWITCH

27

6515510

COVER

28

6664886

HOURMETER Was 6631657 - A

29

6529471

HARNESS wiring

30

6529462

HARNESS wiring

31

17C816

BOLT

32

30H50

CLIP

33

6529728

HARNESS

34

6683378

BREAKER circuit - Was 6591755 - A

35

30H30

CLAMP

36

6591757

SEAL

37

3675725

DIODE

38

25E13

WASHER 5

39

6594344

HARNESS fuel

40

6610510

TIE

41

6640604

CONNECTOR

42

30H48

CLIP

Выбрано товаров: 0