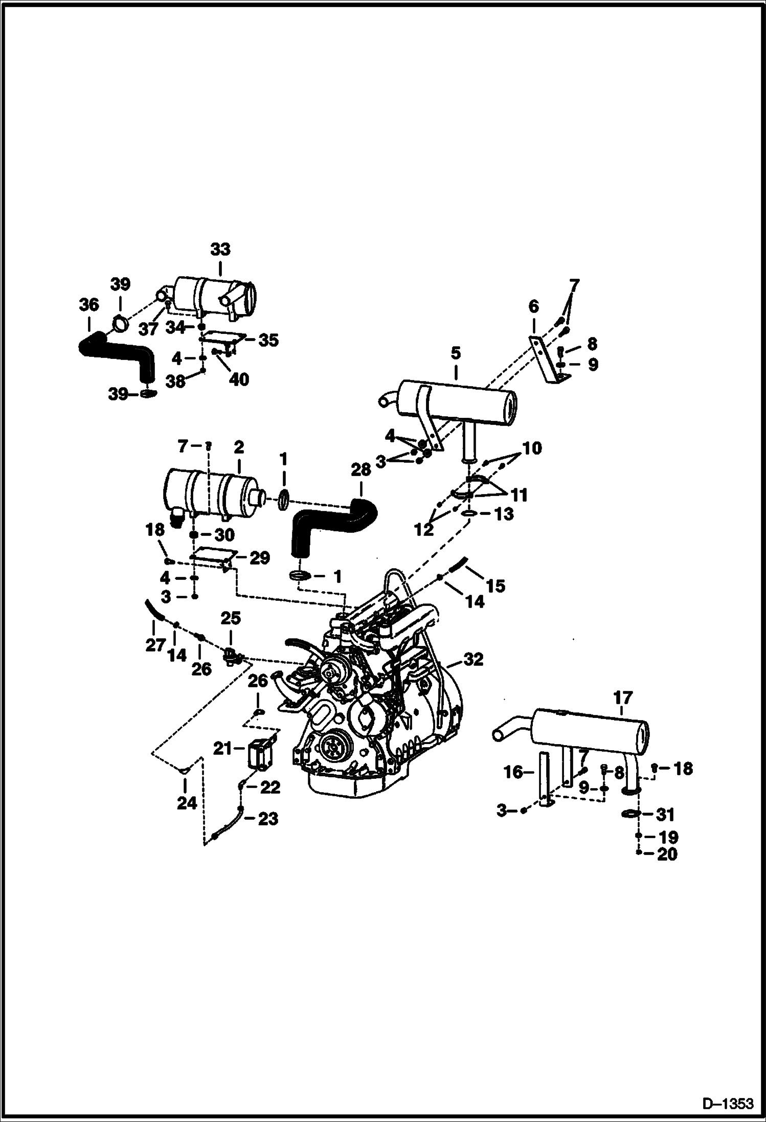
Запчасти Bobcat 900s ENGINE FUEL & EXHAUST PARTS POWER UNIT

Схема запчастей Bobcat 900s - ENGINE FUEL & EXHAUST PARTS POWER UNIT
FIT
1:1
100%

Артикул

Название

Примечание

Количество

1

42H40

HOSECLAM5 Was 942792B - A

2

7001076

FILTER, AIR CLEANER ASSY See Illustration AIR CLEANER/ C2685 Dual Elemants - Was 6591853 - A

3

85D5

NUT 5

4

25E17

WASHER 5 Was 24E000017B - D

5

6552340

MUFFLER

5

6592490

MUFFLER

6

6552341

STRAP

6

6591537

STRAP

7

17C514

BOLT

8

17C816

BOLT

9

25E21

WASHER 5

10

17C524

BOLT

11

907319

HF CLMP 2 Pair

12

61D5

NUT

13

6511999

GASKET

14

42HS04

CLAMP, HOSE Was 6515575 - A

15

6590162

HOSE fuel

16

STRAP muffler NLA - Was 6552071 - A

17

6551409

MUFFLER

18

17C620

BOLT

19

61D6

NUT 5

20

7D6

NUT

21

FUEL FILTER See Illustration FUEL FILTER & LINES/ PI1736 NLA

22

84F4

ELBOW

23

6511549

TUBE

24

ELBOW NLA - Was 42F000004B - A

25

FUEL PUMP See Illustration FUEL LIFT PUMP/ PI1732

26

1314885

ADAPTER

27

HOSE NLA - fuel - Was 6548763 - A

28

6591854

HOSE

29

6591872

BRACKET

30

1021036

GROMMET

31

6543998

GASKET

32

ENGINE See Illustration JOHN DEERE ENGINE/ B20331

33

AIR CLEANER See Illustration AIR CLEANER/ B20320 See Illustration AIR CLEANER/ C3510 single element

34

1021036

GROMMET

35

6548551

BRACKET

36

6548536

HOSE

37

17C612

BOLT 5

38

85D6

NUT, 5

39

42H40

HOSECLAM5

40

17C632

BOLT 5

Выбрано товаров: 42