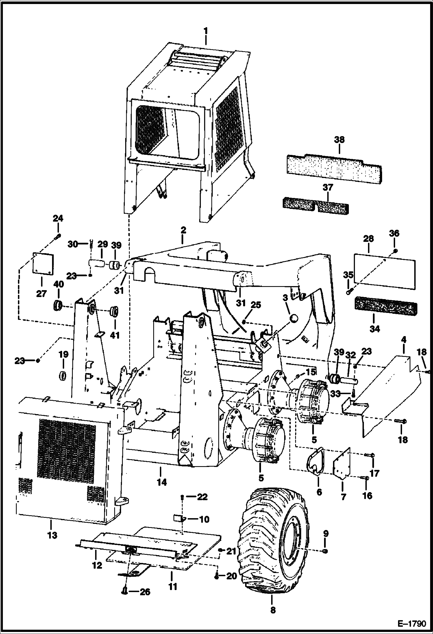
Запчасти Bobcat 900s MAIN FRAME & ATT. PARTS MAIN FRAME

Схема запчастей Bobcat 900s - MAIN FRAME & ATT. PARTS MAIN FRAME
FIT
1:1
100%

Артикул

Название

Примечание

Количество

1

OPERATOR CAB See Illustration OPERATOR CAB/ E1675 See Illustration OPERATOR CAB/ E1568

2

LIFT ARM NLA - Was 6529723 - A

3

6515566

CAP fuel

4

6592481

FENDER L.H.

4

6592483

FENDER R.H.

5

AXLE ASSY. See Illustration PLANETARY SPIDER/ B8262 See Illustration PLANETARY AXLE/ D1482

6

6591405

GASKET

7

6591404

COVER

8

TIRES & RIMS See Illustration TIRES & RIMS/ A1459

9

6529776

NUT wheel - Was 6503766 - A

10

6552053

STOP

11

6551559

BELLY PAN

12

6590500

PLATE

13

REAR DOOR See Illustration REAR DOOR & ENGINE COVER/ D1747

14

MAIN FRAME NLA - Was 6529627 - A

15

16F12

PLUG

16

BOLT NLA - Was 31C000608B - A

17

35C612

BOLT Was 31C000612B - A

18

31C820

BOLT

19

6537235

BUSHING W/Bolt Hole - Weld-On

19

6537236

BUSHING W/O Bolt Hole - Weld-On

20

17C1232

BOLT

21

59D12

NUT

22

17C816

BOLT

23

85D6

NUT, 5

24

17C620

BOLT

25

85D8

NUT, 5

26

17C1632

BOLT

27

6593553

PLATE

28

6548420

PLATE

29

6551537

PIN

30

17C672

BOLT

31

6591606

PIVOT W/Ref. 39

32

6546749

PIN

33

17C656

BOLT

34

6593596

INSULATION

35

17C1020

BOLT 5

36

85D10

NUT, 5

37

6593593

INSULATION lower crossmember

38

6593592

INSULATION

39

6546879

BUSHING

40

6551538

BUSHING

41

6551536

BUSHING

Выбрано товаров: 43