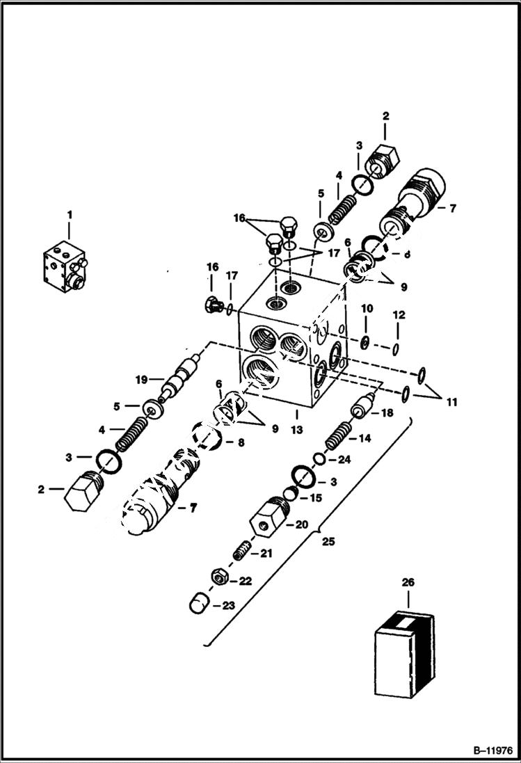
Запчасти Bobcat 900s MOTOR MANIFOLD VALVE (For 21-3501AN-JSBJ) HYDROSTATIC SYSTEM

Схема запчастей Bobcat 900s - MOTOR MANIFOLD VALVE (For 21-3501AN-JSBJ) HYDROSTATIC SYSTEM
FIT
1:1
100%

Артикул

Название

Примечание

Количество

1

6649936

VALVE

2

6648276

PLUG

3

79K10

O RING 10

4

6518650

SPRING

5

6518727

WASHER

6

O-RING NSS

7

6518416

RELIEF VALVE

8

O-RING NSS

9

BACKUP RING NSS

10

6649933

ORIFICE

11

O-RING NSS

12

O-RING NSS

13

HOUSING NSS

14

6648280

SPRING

15

6648253

PLUNGER

16

6645085

PLUG

17

79K4

O RING 10

18

961441

CHARGE charge relief

19

SPOOL NSS

20

6648283

PLUG

21

6648255

SCREW

22

6648256

NUT

23

6648257

COVER

24

6645079

O-RING

25

6649937

CHARGE RELIEF assy.

26

6518664

SEAL KIT ref. 6, 8 & 9

26

6518500

SEAL KIT ref. 11 & 12

Выбрано товаров: 27