Запчасти Bobcat 900s ENGINE & ATTACHING PARTS POWER UNIT

Схема запчастей Bobcat 900s - ENGINE & ATTACHING PARTS POWER UNIT
FIT
1:1
100%

Артикул

Название

Примечание

Количество

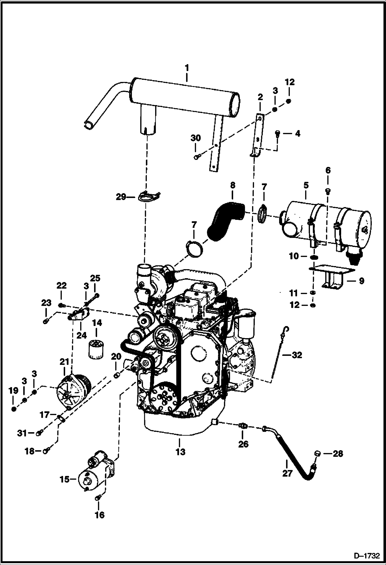
1

6593556

MUFFLER

2

6593565

STRAP

3

25E17

WASHER 5

4

29CM1020

BOLT

5

6593555

AIR CLEANER See Illustration AIR CLEANER/ C2949

6

17C512

BOLT 5

7

42H52

CLAMP

8

6593563

HOSE

9

6593533

BRACKET

10

1021036

GROMMET

11

25E16

WSHR

12

85D5

NUT 5

13

ENGINE See Illustration ENGINE/ B20378 NLA - Order 6593606REM - Was 6593606 - A

14

1992368

ELEMENT See Illustration LUBRICATION SYSTEM/ C2916 OIL FILTER

15

STARTER See Illustration STARTER/ D2119 See Illustration STARTER/ B20341

16

29CM1035

SCREW Was 30CM01035B - B

17

6631202

BRACE

18

29CM845

BOLT

19

85D6

NUT, 5

20

6529464

BUSHING

21

ALTERNATOR See Illustration ALTERNATOR/ C3312 See Illustration ALTERNATOR/ B24426

22

6631113

BOLT

23

6631187

SPACER

24

6631201

SUPPORT

25

17C672

BOLT

26

6631578

ADAPTER

27

6593603

HOSE

28

36K7

FITTING

29

507069

CLAMP

30

17C616

BOLT 5

31

35C516

BOLT 10

32

6631383

DIPSTICK engine oil

32

6631337

TUBE dipstick

Выбрано товаров: 33