Запчасти Bobcat 900s GASKET KIT (Upper) POWER UNIT

Схема запчастей Bobcat 900s - GASKET KIT (Upper) POWER UNIT
FIT
1:1
100%

Артикул

Название

Примечание

Количество

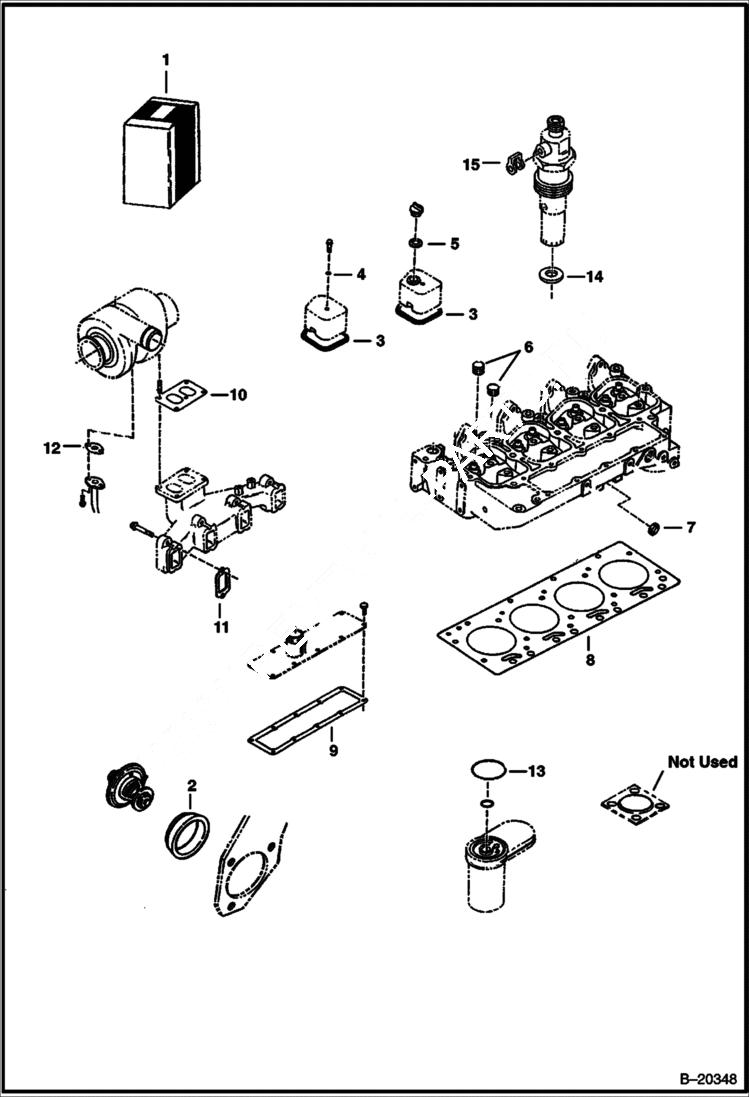
1

6631090

GASKET KIT Upper - W/ standard thickness

1

GASKET KIT NLA - Upper - W/ .010'' over thickness & 1.0mm over bore head gasket - Was 6631091 - A

1

6631092

GASKET KIT Upper - W/.020'' over thickness & 1.0mm over bore head gasket

2

6631214

GASKET thermostat

3

6631194

GASKET

4

6631166

O-RING

5

6631179

SEAL

6

6631130

SEAL

7

6631184

WASHER sealing

8

6631334

GASKET Standard - included with 6631090 kit

8

6652507

GASKET .15mm oversize - included with 6631091 kit

8

6652508

GASKET .50mm oversize - included with 6661092 kit

9

6631169

GASKET

10

6631148

GASKET

11

6631156

GASKET

12

6631165

GASKET

13

6631229

O-RING

14

6631117

SEAL

15

6631218

WASHER

Выбрано товаров: 19