Запчасти Bobcat 900s CYLINDER BLOCK POWER UNIT

Схема запчастей Bobcat 900s - CYLINDER BLOCK POWER UNIT
FIT
1:1
100%

Артикул

Название

Примечание

Количество

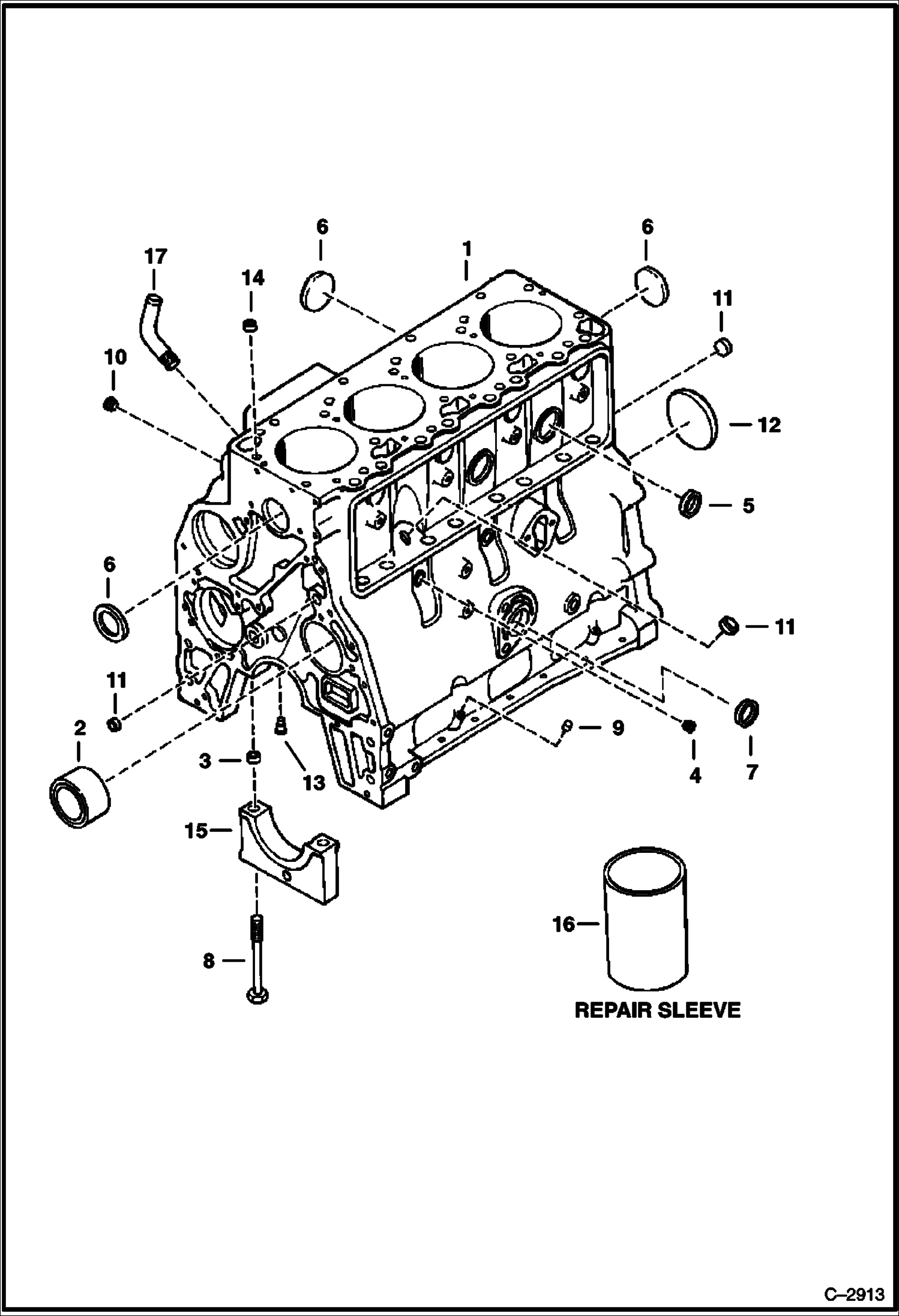
1

BLOCK NLA - cylinder - W/Ref. 2-16 - Was 6631377 - A

2

6631145

BUSHING

2

6652493

BUSHING Oversize Bushing for No. 1 Bore

2

6652494

BUSHING Oversize Bushing for No. 2-5 Bore

3

6631100

DOWEL

4

6631073

PLUG

5

PLUG NLA - Was 12F000100B - A

6

6631120

PLUG

7

12F104

PLUG

8

BOLT NLA - Was 1CM014119B - A

9

6631119

PLUG

10

6631075

PLUG Was 6631413 - A

11

PLUG NLA - Was 12F000011B - A

12

PLUG NLA - Was 12F000206B - A

13

6631124

NOZZLE piston cooling

14

6631176

DOWEL

15

6631121

CAP

16

6631109

LINERS

17

6631247

TUBE turbo drain - Was 6631206 - A

Выбрано товаров: 19