Качественные детали и логистика
Оригинальные и аналоговые запчасти с доставкой по России, Казахстану и Беларуси
©2022 PartSell ООО "Система" ИНН 2463123282 ОГРН 1212400004838
Центральный офис: г. Красноярск, Академика Киренского, д.87, пом.4
Телефон: 8 (800) 777-65-74 Email: zakaz@partsell.ru
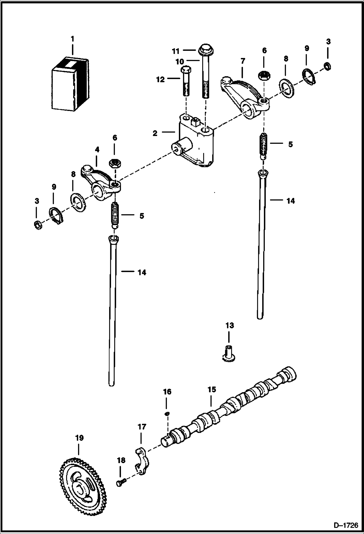
ROCKER ARMS & CAMSHAFT
№
Артикул
Название
Примечание
Количество
1
BRACKET ASSY. NLA - rocker - W/Ref. 2-9 - Order Separate Components - Was 6631189 - A
2
6641340
BRACKET rocker
3
6631070
PLUG
4
6631111
ROCKER ARM intake - W/Ref. 5 & 6
5
6631116
SCREW
6
6631416
NUT
7
6631110
ROCKER ARM exhaust - W/Ref. 5 & 6
8
6631102
WASHER
9
6631101
RETAINER
10
1CM875
BOLT
11
6631071
12
BOLT NLA - Was 1CM12180B - A
13
6631162
TAPPET
14
6631295
PUSH ROD
15
6652524
CAMSHAFT Also Order 6652523 - Was 6631271 - A
16
6631174
KEY
17
6652523
SUPPORT Was 6631161 - A
18
6631114
BOLT Was 1CM00820B - B
19
6631171
GEAR
Выбрано товаров: 0