Качественные детали и логистика
Оригинальные и аналоговые запчасти с доставкой по России, Казахстану и Беларуси
©2022 PartSell ООО "Система" ИНН 2463123282 ОГРН 1212400004838
Центральный офис: г. Красноярск, Академика Киренского, д.87, пом.4
Телефон: 8 (800) 777-65-74 Email: zakaz@partsell.ru
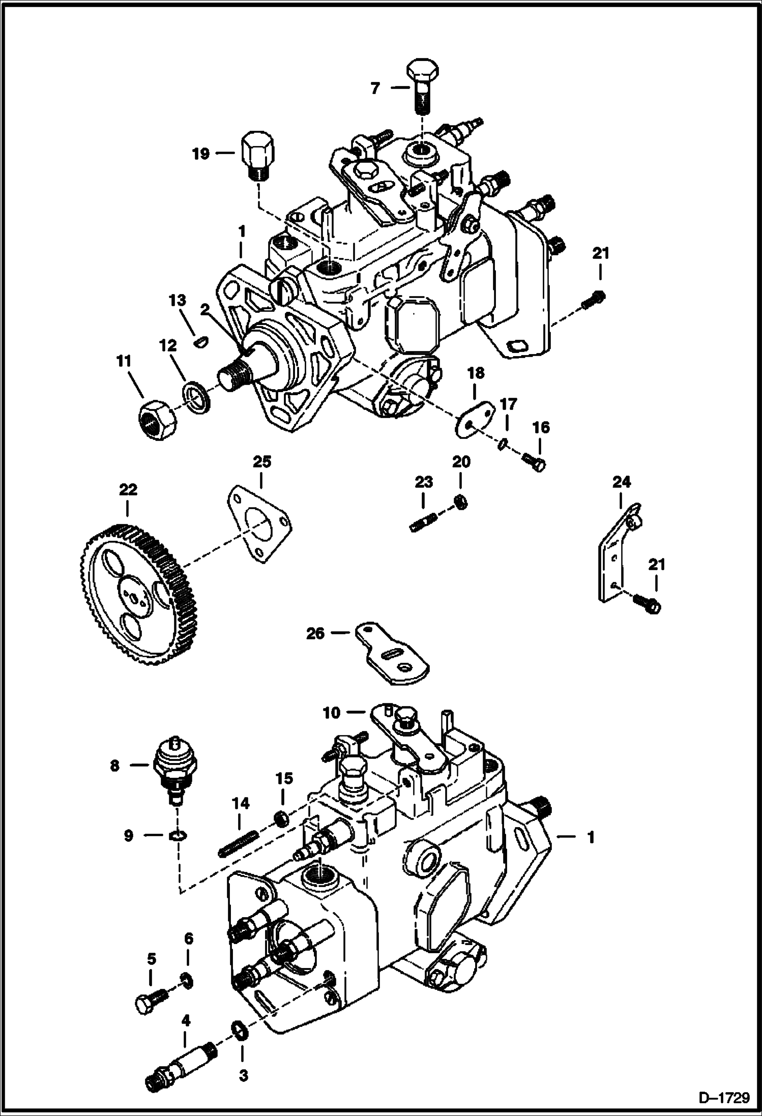
INJECTION PUMP
№
Артикул
Название
Примечание
Количество
1
PUMP NLA - injection - Ref. 2-19 - Order 6660939 & 6655467 - Was 6631217 - A
6660939
PUMP injection - Ref. 2-19
6660939REM
PUMP, FUEL INJ. CUMMINS DR1318RX Ref. 2-19
2
6631230
SEAL shaft
3
6631231
GASKET
4
6631232
FITTING
5
6631233
SCREW vent
6
6631234
7
6631389
BOLT banjo
8
6631235
SOLENOID
9
6631237
O-RING
10
LEVER NSS - Was 6631294 - A
11
6631078
NUT
12
4E9
WASHER
13
6631174
KEY
14
SCREW NLA - Was 6631325 - A
15
NUT NLA - Was 6631326 - A
16
6631327
SCREW timing lock
17
6631328
O-RING timing lock
18
6631329
PLATE timing lock
19
6631219
ADAPTER
20
6631112
21
29CM820
SCREW
22
6631172
GEAR
23
6631188
STUD
24
6631376
BRACE
25
6631391
26
6654381
LEVER
Выбрано товаров: 0