Качественные детали и логистика
Оригинальные и аналоговые запчасти с доставкой по России, Казахстану и Беларуси
©2022 PartSell ООО "Система" ИНН 2463123282 ОГРН 1212400004838
Центральный офис: г. Красноярск, Академика Киренского, д.87, пом.4
Телефон: 8 (800) 777-65-74 Email: zakaz@partsell.ru
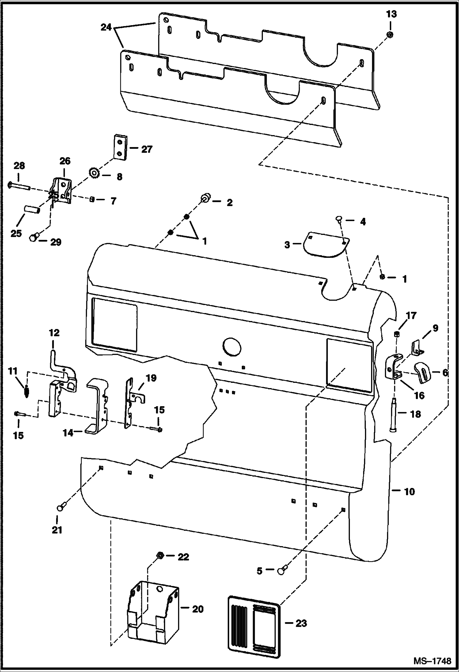
REAR DOOR (S/N 5196 11045, 5197 11002 & Below)
№
Артикул
Название
Примечание
Количество
1
61D5
NUT
2
6655399
BUMPER Was 6714454 - B
3
6714509
COVER exhaust
4
37C512
BOLT
5
37C628
6
6714126
DOOR STOP
7
61D6
NUT 5
8
6675273
WASHER lock
9
6719766
STOP
10
REAR DOOR See BTI357 NLA - Order 6729991 - Was 6711524 - A
11
6714210
SPRING
12
6670867
LATCH, REAR DOOR
13
57D6
14
6711527
LATCH PLATE weld-on
15
31C420
BOLT 5
16
6733575
HINGE, REAR DOOR weld-on - Was 6711526 - A
17
59D6
18
38C856
19
6711664
GUIDE, LATCH latch
20
6715318
TOOL HOLDER standard for Europe
21
37C612
22
55D6
23
6670287
COVER
24
6725256
COUNTERWEIGHT Was 6714053 - A
25
6719550
TUBE striker
26
6719524
STRIKER
27
6719525
BAR threaded striker
28
37C644
BOLT carriage
29
17C820
Выбрано товаров: 0