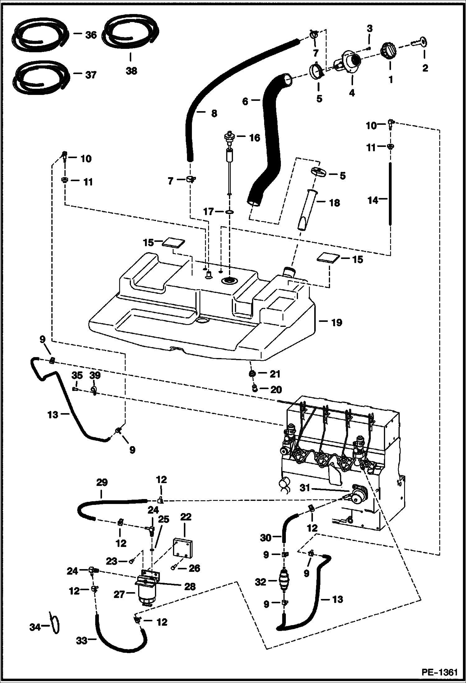
Запчасти Bobcat A-Series FUEL SYSTEM MAIN FRAME

Схема запчастей Bobcat A-Series - FUEL SYSTEM MAIN FRAME
FIT
1:1
100%

Артикул

Название

Примечание

Количество

1

6661114

CAP. DIESEL green fuel fill - W/Ref. 2

1

6661696

CAP, FUEL LOCKING locking - W/Ref. 2 - Code PK510

2

6587458

KEY Code PK510

3

6706517

SCREW

4

6701449

FILLER TUBE

5

42H32

HS CLAMP5

6

6728141

HOSE

7

42H10

HOSECLAM5

8

HOSE NLA - 38'' (965mm) long - Order Ref. 36

9

5HM13

CLAMP

10

6598908

ELBOW Was 7101291 - B,D

11

6553411

BUSHING 0.38'' ID

12

5HM14

CLAMP

13

HOSE NLA - 29.5'' (749mm) long - Order Ref. 38

14

6729854

TUBE 12.5'' (317,5 mm) long

15

6578278

PAD self adhesive one side

16

7179839

SENSOR FUEL See Illustration ENGINE ELECTRICAL/ PE1420 See Illustration ENGINE ELECTRICAL/ PE1950 W/Ref. 17 - Was 6680438 - A

17

6717579

GASKET rubber

18

7120881

SCREEN, FILLER Was 6569219 - A

19

6708527

TANK, FUEL

20

7203382

PLUG, STEEL fuel drain - .75'' shoulder - Was 6717401 - A

21

6717402

BUSHING 0.54'' ID

22

6710488

MOUNT

23

53CM830

BOLT

24

6715183

ELBOW W/Ref. 25 - check boss face to determine correct replacement o-ring

25

99K5

O-RING tapered boss face

25

79K5

O RING 10 flat boss face

26

43C512

BOLT

27

6667353

FILTER ASSY W/Ref. 28

27

6667352

FILTER, FUEL W/SEPARATOR 12

27

72F1

FITTING

28

6658180

PLUG, BLEED

29

HOSE NLA - 13'' (330mm) long - Order Ref. 37

30

HOSE NLA - 9.5'' (241mm) long - Order Ref. 38

31

6666522

FUEL PUMP See Illustration FUEL INJECTION SYSTEM/ B17431

32

6657734

PUMP, PRIMER HAND 124 mm (4.88'') long

33

HOSE NLA - 17.5'' (445mm) long - Order Ref. 37

34

6610510

TIE

35

1CM816

BOLT

36

6578172

HOSE bulk - sold per foot

37

6577822

HOSE bulk - sold per foot - .3125'' ID

38

6577821

HOSE bulk - sold per foot - .25'' ID

39

30H30

CLAMP

Выбрано товаров: 43