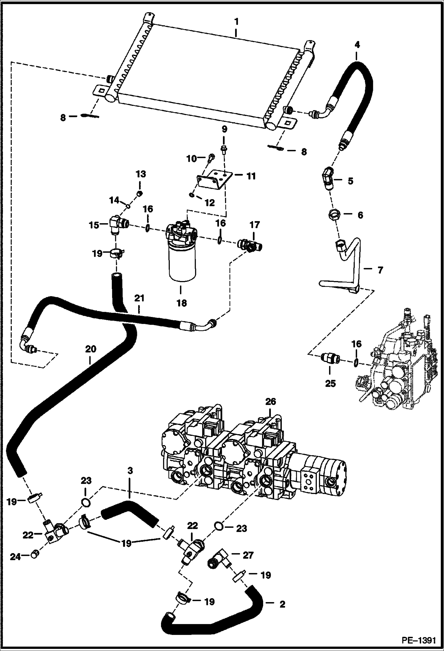
Запчасти Bobcat A-Series HYDROSTATIC CIRCUITRY (W/Cooler) HYDROSTATIC SYSTEM

Схема запчастей Bobcat A-Series - HYDROSTATIC CIRCUITRY (W/Cooler) HYDROSTATIC SYSTEM
FIT
1:1
100%

Артикул

Название

Примечание

Количество

1

6678194

COOLER

2

6729475

HOSE

3

6729478

HOSE

4

6675829

HOSE

5

6670831

ELBOW STC

5

97K12

O'RING flared end

5

6690949

O-RING

6

86F8

NUT 5

7

6719286

TUBELINE

8

1318565

COTTER PIN

9

35C612

BOLT

10

84G3716

SCREW 5

11

6719446

MOUNT

12

6E6

WASHER

13

90KV5

PLUG W/Ref. 14 - tapered boss face - Use W/NLA Ref. 15

13

24K5

PLUG W/Ref. 14 - flat boss face

14

95K6

O'RING tapered boss face

14

75K6

O-RING flat boss face

15

ELBOW NLA - W/Ref. 16 - Use W/Ref. 13 - Was 6725032 - A

15

6715718

ELBOW W/Ref. 16

16

79K12

O RING 10

17

6675778

TEE W/Ref. 16

17

6690949

O-RING

18

6661247

FILTER

18

6661248

FILTER, OIL HYD 12 #3 media - 152,4 mm (6'') long

19

5HM35

HOSECLAMP

20

6726694

HOSE

21

6675830

HOSE

22

6726992

TEE W/Ref. 23 - check boss face to determine correct replacement o-ring

22

97K6

O RING flared end

23

99K16

O-RING tapered boss face

23

79K16

O RING 10 flat boss face

24

36K5

CAP

25

15KB1212

FITTING, HYD CONNECTOR W/Ref. 26 - Was 6812646 - A

26

79K12

O RING 10

27

6731181

TEE

Выбрано товаров: 36