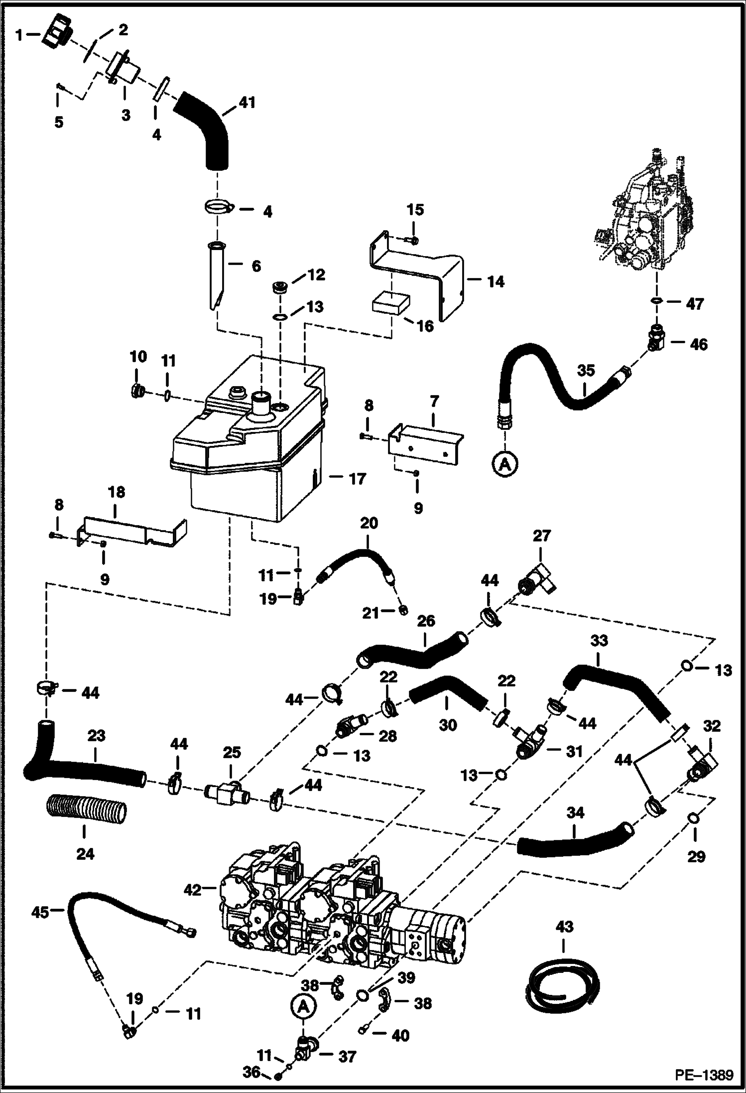
Запчасти Bobcat A-Series HYDROSTATIC CIRCUITRY (W/Tank) HYDROSTATIC SYSTEM

Схема запчастей Bobcat A-Series - HYDROSTATIC CIRCUITRY (W/Tank) HYDROSTATIC SYSTEM
FIT
1:1
100%

Артикул

Название

Примечание

Количество

1

6577785

CAP breather & fill - Also Order Ref. 2

2

6700631

GASKET

3

6727354

INLET

4

42HL250

CLAMP Was 6513595 - B

5

6706517

SCREW self tapping

6

7120881

SCREEN, FILLER Was 6569219 - A

7

6718851

BRACKET front

8

17C516

BOLT

9

61D5

NUT

10

6665915

GAUGE sight - W/Ref. 11

10

6734563

WASHER KIT

10

6734561

WASHER

10

25K30118

O RING 10

11

99K6

O RING tapered boss face

11

79K6

O RING 10 flat boss face

12

47K10

PLUG W/Ref. 13

13

99K16

O-RING tapered boss face

13

79K16

O RING 10 flat boss face

14

6718726

MOUNT BPV

14

6731906

MOUNT BPV

15

84G3716

SCREW 5

16

6716449

PAD

17

TANK NLA - hydraulic oil - Order 6731209, Also Order 6731906 BPV mount & 6731838 panel - Was 6727265 - A

17

6731209

TANK hydraulic oil

18

6718850

BRACKET rear

19

ELBOW NLA - W/Ref. 11 - tapered boss face - Was 17KV00005B - A

19

97K6

O RING flared end

19

17KB0606

FITTING W/Ref. 11 - flat boss face

20

7106212

HOSE Was 6537040 - A

21

36K5

CAP

22

5HM35

HOSECLAMP

23

6727424

HOSE

24

SHIELD NLA - 10'' (254mm) long - Order Ref. 43

25

6727064

TEE

26

6727426

HOSE

27

6731182

TEE Was 6727070 - A

28

6727182

ELBOW W/Ref. 13 - check boss face to determine correct replacement o-ring

29

75K16

O RING 10

30

6729478

HOSE

31

6726992

TEE W/Ref. 13 - check boss face to determine correct replacement o-ring

32

6727069

TEE W/Ref. 13

32

6733809

TEE W/Ref. 13

33

6729477

HOSE

34

6729476

HOSE

35

6737341

HOSE Was 6725425 - A

36

PLUG NLA - W/Ref. 11 - tapered boss face - Was 90KV00005B - A

36

PLUG NLA - W/Ref. 11 - flat boss face - socket head

36

24K5

PLUG W/Ref. 11 - flat boss face - hexagon head

37

7103953

TEE 4-bolt flange - Was 6717662 - A

37

97K12

O'RING flared end

38

19J12

CLAMP

39

55K214

O-RING

40

17C620

BOLT

41

6718576

HOSE

42

PUMP See Illustration HYDROSTATIC PUMP/ B16054

43

6705749

SHIELD bulk - sold per foot

44

5HM42

HOSECLAMP

45

6717921

HOSE

46

17KB1212

FITTING, HYD ELBOW W/Ref. 47 - Was 6812141 - A

47

79K12

O RING 10

Выбрано товаров: 60