Запчасти Bobcat A-Series ENGINE ELECTRICAL (S/N 5196, 5197 & Abv) ELECTRICAL SYSTEM

Схема запчастей Bobcat A-Series - ENGINE ELECTRICAL (S/N 5196, 5197 & Abv) ELECTRICAL SYSTEM
FIT
1:1
100%

Артикул

Название

Примечание

Количество

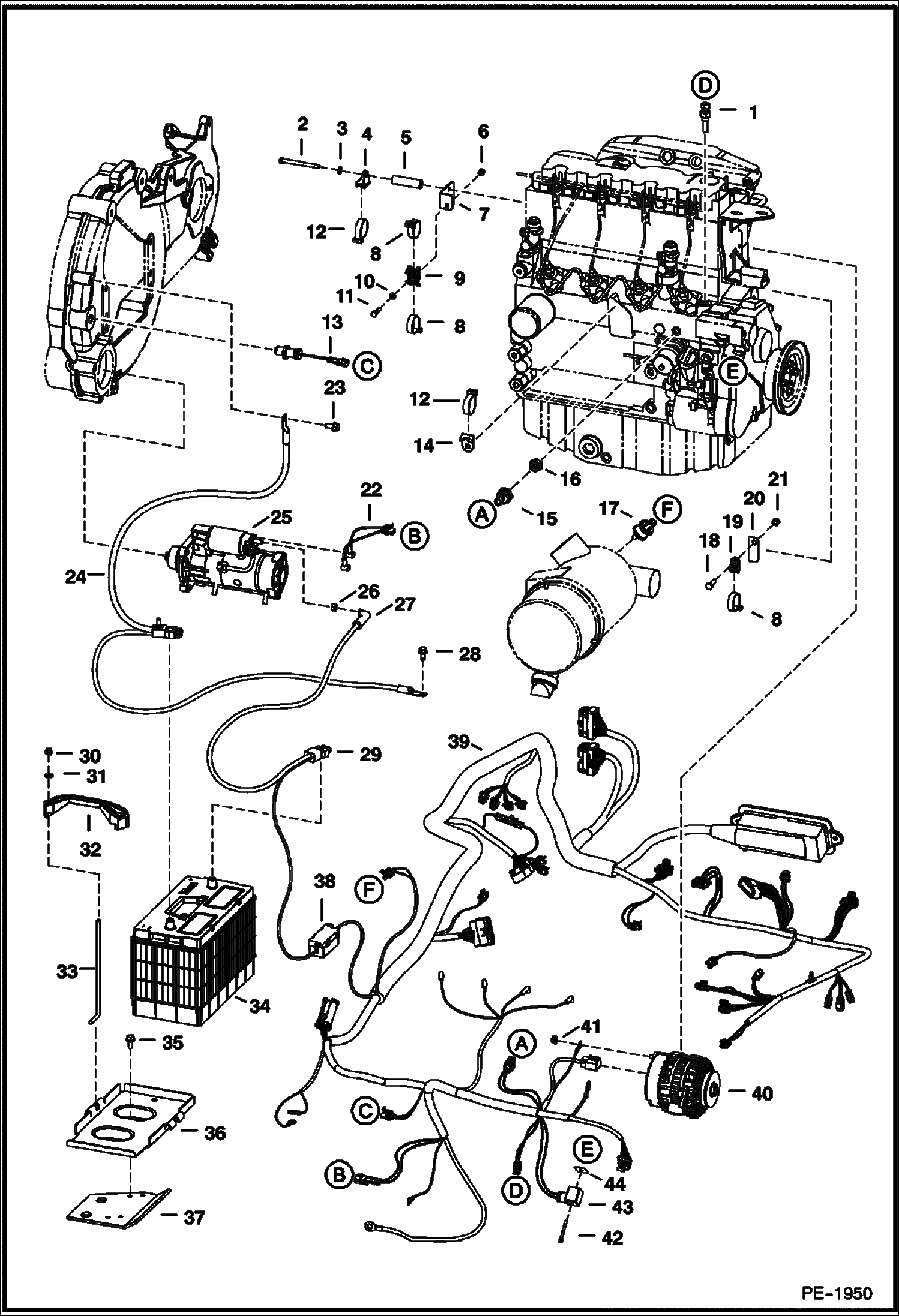
1

6718416

SENDER engine temp

2

1CM890

BOLT Was 1CM00816B - B

3

1EM80

WASHER

4

6678818

MOUNT Was 6715131 - B

5

6732568

SPACER Was 95D000005B - B

6

59D4

NUT 5

7

6732490

BRACKET harness - Was 6714974 - B

8

6624289

STRAP, TIE

9

6678974

MOUNT Was 6715132 - B

10

25E11

WASHER

11

17C540

BOLT

12

6678669

STRAP Was 6664033 - B

13

6679853

SENSOR rpm - Was 6658260

14

6679034

MOUNT Was 6715197 - B

15

6674315

SENSOR eng oil pressure

16

6708580

ADAPTER

16

6666699

WASHER brass 10mm x 15mm

17

6665371

SWITCH condition indicator

18

1CM1030

BOLT

19

6678667

MOUNT Was 30H000035B - B

20

6714979

BRACKET harness

21

95D6

NUT Was 91D000006B - A

22

6733370

HARNESS

23

84G3710

SCREW Was 6668760 - B

24

6727803

CABLE negative

25

STARTER See Illustration STARTER/ D2365

26

4DM10

NUT

27

6560172

COVER terminal

28

35C612

BOLT

29

6732557

CABLE positive - Was 6719141 - B

30

59D5

NUT 5

31

25E15

WASHER

32

6569203

CLAMP battery hold down

33

6576280

BOLT battery hold down

34

6665427

BATTERY, DRY 950 AMP

35

84G3712

BOLT 5

36

6712536

PAN battery

37

6579989

BRACKET

38

6675154

HOLDER

39

6730297

HARNESS, MFR See BTI352 loader

39

6732061

HARNESS See BTI352 loader

40

ALTERNATOR See Illustration ALTERNATOR/ C3529

41

43DM8

NUT

42

6668761

BOLT

43

6665659

CONNECTOR, SHUTDOWN fuel shutdown

44

6668760

SEAL

Выбрано товаров: 46