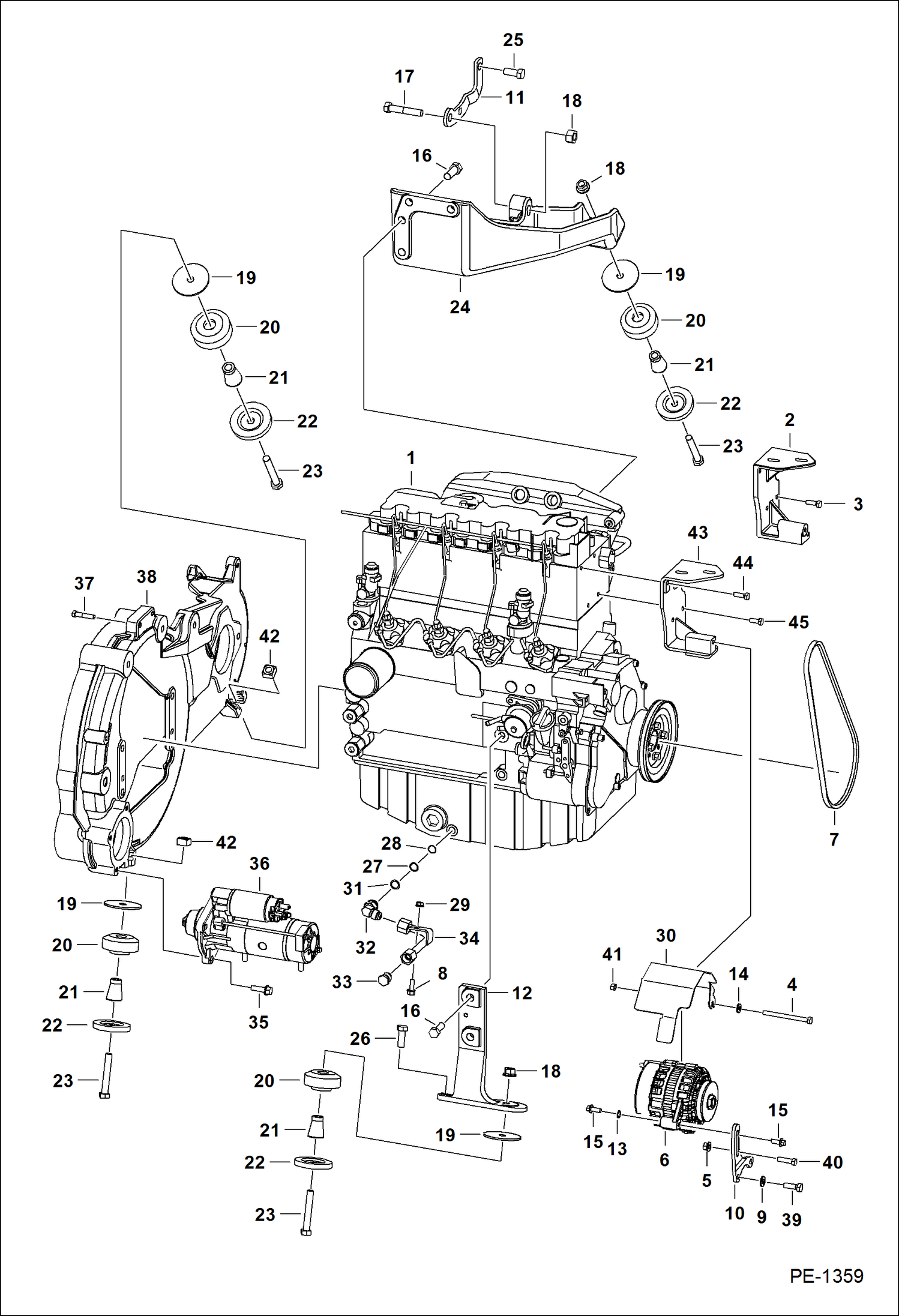
Запчасти Bobcat A-Series ENGINE & ATTACHING PARTS (Engine Mounts) POWER UNIT

Схема запчастей Bobcat A-Series - ENGINE & ATTACHING PARTS (Engine Mounts) POWER UNIT
FIT
1:1
100%

Артикул

Название

Примечание

Количество

1

ENGINE See Illustration ENGINE & GASKET KITS/ B16399

2

MOUNT NLA - Order Ref. 43 & (2) each of Ref. 44 & 45 - Was 6725429 - A

3

55CM825

BOLT

4

1CM8100

SCREW

5

57D5

NUT

6

ALTERNATOR See Illustration ALTERNATOR/ C3529

7

6675839

BELT alternator

8

35C514

BOLT Was 35C000512B - B,D

9

25E17

WASHER 5

10

6726485

BRACKET

11

6729311

BRACKET Was 6716226 - A

12

6717858

MOUNT cast

13

6E5

WASHER

14

25E15

WASHER

15

29CM820

SCREW

16

53CM1440

BOLT

17

6675221

BOLT Was 17C000864B - B

18

83D8

NUT 5 hyd. pump mounting

19

6705106

WASHER

20

6668104

MOUNT, ENG

21

7110276

SPACER, TAPERED tapered - Was 6715287 - A

22

6661787

WASHER

23

43C852

BOLT

24

6707757

MOUNT Was 6728791 - B,D

25

17C820

BOLT

26

17C516

BOLT

27

6669066

SEAL RING

28

58K114

O RING 10

29

97D5

NUT

30

6729354

SHIELD alternator

31

WASHER NSS - Was 6669067 - A

32

6709168

ELBOW W/Ref. 28, 31 & 43

33

6518121

PLUG

34

6714500

TUBE

35

45C620

BOLT Was 35C000620B - B

36

STARTER See Illustration STARTER/ B16488R

37

17C828

BOLT hyd pump mount

38

6732494

MOUNT Was 6728791 - A

39

1CM1030

BOLT

40

35C516

BOLT 10

41

53DM8

NUT

42

6652918

NUT

43

7223764

BRACKET, ALT

44

55CM825

BOLT

45

55CM820

BOLT

Выбрано товаров: 45